进口汽车>>正时链>>宝马
 

318i(E30)


BMW
车    型 发动机号 年     款
316(E30) 18 4V D (M10) 1984-1988
316i(E30) 18 4K A,18 4E B, 18 4E A (M10) 1987-1989
318i(E30) 18 4E W,18 4E B (M10) 1984-1989

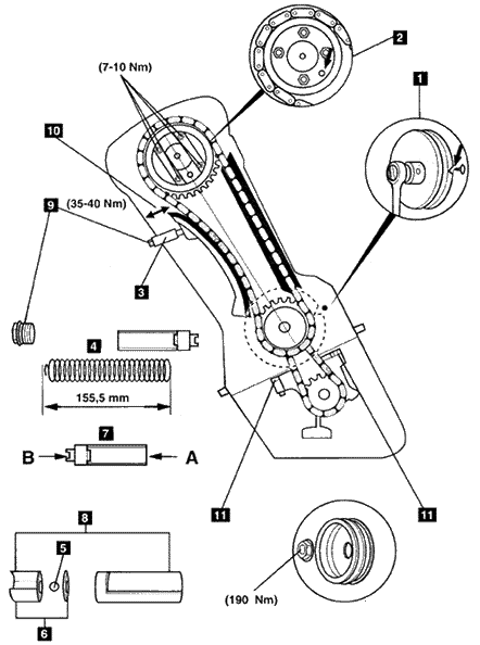
气门正时调节步骤

1.发动机在第一缸上止点位置1。

2.朝着曲轴对齐凸轮轴链轮定位销2。

注意:张紧器柱塞3由弹簧加载。

3.检查链条张紧器。

4.检查张紧器弹簧4的长度:155.5毫米。

5.摇动张紧器,确保能听到滚珠5的声音。

6.通过向张紧器鼓入空气来检查阀门6的功能。

7.在“A”方向,阀门应该闭合(如图中7所示)。

8.在“B”方向,阀门应该打开(如图中7所示)。

9.如果没有打开或闭合,清洗链条张紧器部件8。

10.链条张紧器放气顺序:

11.拧松张紧器塞9。

12.移动张紧器导轨直到机油从塞中流出(如图中10所示)。

13.用机油泵壳体与气缸体之间的垫片调整机油泵链条张力11。

注意:带绿色标记的机油泵链条比带红色标记的链条要长。

注意:曲轴皮带轮螺栓必须只使用一次。


 
[关闭本窗口]