进口汽车>>正时链>>福特
 

Explorer 4.0 V6


FORD
车    型 发动机号 年    款
Scorpio/Granada 2.4i ARC,ARD 1986-1994
Explorer 4.0 V6 E 1993-1997

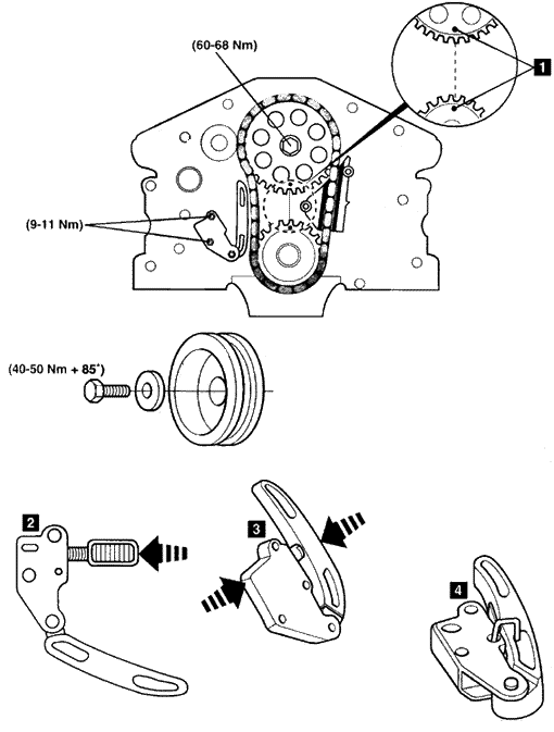
气门正时调整步骤

拆卸

1.确保曲轴链轮与凸轮轴链轮正时标记1对正。

2.确保正时链在非张紧侧的链轮之间是紧绷的。

注意:张紧器柱塞有弹簧载荷。

3.重新设定张紧器:

4.将弹簧和柱塞压入链条张紧器2。

5.压下张紧器3。

6.用线夹4将其固定在该位置。

7.安装张紧器总成。

8.拆下线夹。


 
[关闭本窗口]