进口汽车>>正时链>>捷豹
 

XJ6 2.9


JAGUAR(DAIMLER)
车    型 发动机号 年    款
XJ6 2.9 AJ6 1986-1990

气门正时调整步骤

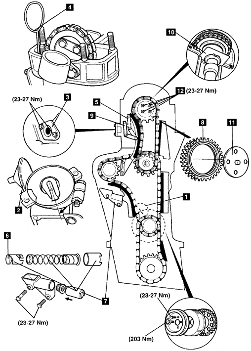
1.拆卸/重装需要:

  • 拆下气缸盖

注意:有关拧紧顺序与拧紧力矩请参考Autodata技术数据。

2.发动机在1缸上止点1。

注意:后期的发动机没有曲轴带轮正时标记。直接在活塞上或穿过火花塞孔使用千分表来直接获得上止点。

3.在拆卸前标记好转子臂与分电器的位置2。

4.为了释放上正时链张紧器:

  • 拆下上张紧器止动支架3。
  • 插入张紧器释放工具4。工具号JD 101。
  • 向上拉张紧器到位置5。

5.下正时链的安装不需要正时标记。

6.在安装下张紧器前重新安装柱塞总成。

  • 将弹簧和活塞插入柱塞6中。
  • 完全推入活塞并顺时针转动直到它锁紧。
  • 将柱塞总成插入张紧器壳体中(如图中7所示)。

7.安装张紧器总成7。

8.将柱塞推入罩中以释放活塞。

9.修理发动机以后安装凸轮轴链轮:

  • 将凸轮轴链轮8和链条作为一个总成安装到凸轮轴上。
  • 安装上张紧器止动支架3。
  • 向下推入张紧器到位置9。
  • 检查凸轮轴与正时工具10是否对齐。工具号C3993。
  • 安装凸轮轴链轮毂11到凸轮轴。

10.更换凸轮轴链轮螺栓的锁紧片12。

  • 拧紧凸轮轴链轮螺栓至23-27牛顿·米。

警告:如果装配不正确,可能发生气门到活塞的损坏。

注意:当曲轴设定在1缸上止点前60度时,凸轮轴能够转动且气门与活塞不接触。


 
[关闭本窗口]