进口汽车>>正时链>>奔驰
 

E系列(124)3.0


MERCEDES-BENZ
车    型 发动机号 年    款
E系列(124)3.0 104.980/981 1989-1993

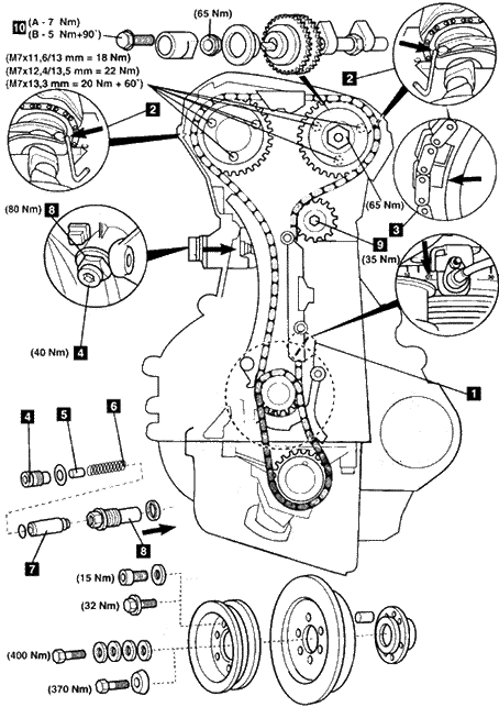
气门正时调整步骤

注意:正时链能够在不拆卸发动机的情况下被更换。使用专用工具将新正时链连接到旧正时链上,绕过链轮,然后再连接到一起。

1.转动曲轴,将发动机置于1号气缸的上止点位置,见1。

2.将一个直径4毫米的销子2插入到凸轮轴中。

3.在正时链安装过程中,确保凸轮轴调整器凸起在“延迟”位置,见3。

警告:如果装配不正确,可能发生气门与活塞的接触。

4.正时链有130个链节。

5.当曲轴被设定在1号气缸的上止点前30°位置时,凸轮轴能够在气门不接触活塞的情况下被转动。

6.在进行发动机修理之前:

  • 将张紧器螺母4松开一圈。
  • 拆下张紧器总成。

7.在安装之前拆卸张紧器:

  • 拆下张紧器螺母4(由弹簧施加预紧力)。
  • 拆下销子5和弹簧6。
  • 按照箭头的方向通过张紧器体8推动柱塞7。

8.在修理之后请安装张紧器:

  • 安装张紧器体8。拧紧力矩:80Nm。
  • 将柱塞7、弹簧6和销子5插入到张紧器体8中。
  • 安装张紧器螺母4。拧紧力矩:40Nm。

9.惰轮螺栓9是左旋的。

10.进气凸轮轴调整器和排气凸轮轴链轮的M7×13.3毫米螺栓只能使用一次。

11.按照下面所述拧紧进气凸轮轴调整器外罩的螺栓10:

  • A类(带有开缝垫圈的螺栓)- 7Nm。
  • B类(带有整体式垫圈的螺栓)- 5Nm+90°。

注意:在维修过程中,A类应该用B类来更换。B类只能使用一次。

12.在装配过程中要润滑曲轴皮带轮中心螺栓和垫圈。


 
[关闭本窗口]