进口汽车>>正时链>>奔驰
 

G-Wagon(460)2.8


MERCEDES-BENZ
车    型 发动机号 年    款
G-Wagon(460)2.8 110.994 1979-1989

气门正时调整步骤

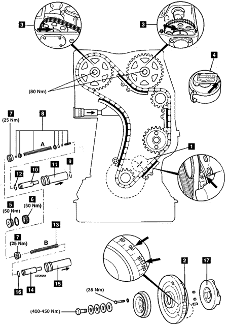
1.确保发动机在1号气缸的上止点位置1。

注意:如果皮带轮有两个‘0/0’标记,则使用与曲轴位置(CKP)传感器正时销相邻的那一个,见2。

2.确保两个凸轮轴上的正时标记3对齐。

3.确保分电器摇臂与分电器上的1号气缸标记对齐,见4。

4.在按照下面所述进行修理之前,拆下张紧器总成:

  • 使用17毫米内六角扳手拆下塞子5。
  • 拧紧螺纹环6。
  • 松开锁止环7大约两圈。
  • 使用19毫米内六角扳手,拆下螺纹环6。
  • 拉出张紧器总成。

注意:在拆下张紧器之前,先拆下右侧凸轮轴上的摇臂轴总成。

5.在安装前,重新设定张紧器‘A’-第一种形式:

  • 拆下锁止销7(由弹簧施加预紧力)。
  • 拆下部件8。
  • 拆下固定夹9。
  • 按照箭头方向通过张紧器体11推动柱塞10。
  • 重新安装固定夹9。
  • 确保卡环12正确安装在柱塞10上。
  • 将柱塞10插入到张紧器体11的另一端。
  • 使卡环12靠在张紧器体11的斜面上。
  • 安装部件8。
  • 旋动锁止销7大约两圈,使之进入张紧器体11中(不要拧紧)。

6.在安装前,拆卸张紧器‘B’-第二种形式:

  • 拆下锁止销7(由弹簧施加预紧力)。
  • 拆下弹簧13。
  • 按照箭头方向通过张紧器体15推动柱塞14。

7.修理完后,安装张紧器。

8.张紧器‘A’-第一种形式:

  • 小心地插入张紧器总成。
  • 安装并拧紧螺纹环6。拧紧力矩:50Nm。
  • 拧紧锁环7。拧紧力矩:25Nm。
  • 确保当正时链被张紧时,柱塞发出一声喀嚓声。
  • 安装并塞子5拧紧至50Nm。

9.张紧器‘B’-第二种形式:

  • 插入张紧器体15。
  • 安装螺纹环6并拧紧至50Nm。
  • 确保卡环16正确安装在柱塞14上。
  • 将柱塞14插入到张紧器体15中。
  • 安装弹簧13。
  • 安装锁环7并拧紧至25Nm。
  • 确保当正时链被张紧时,柱塞发出一声喀嚓声。
  • 安装塞子5并拧紧至50Nm。

10.在拆卸前标记平衡轮毂17的位置。

11.在装配过程中润滑曲轴皮带轮中心螺栓和垫圈。

12.要在不拆卸发动机的情况下更换正时链,请按照下列步骤进行:

  • 拆下右侧凸轮轴的摇臂轴总成。
  • 拆下张紧器总成。
  • 安装正时链张紧工具。工具号为:110589033100。
  • 在旧正时链的组合链节处将新正时链连接到旧正时链上。
  • 转动曲轴以使新正时链绕过链轮,然后连接在一起。


 
[关闭本窗口]