进口汽车>>正时链>>绅宝
 

90 2.0


SAAB
车    型 发动机号 年    款
90 2.0 B201 1984-1991
900 2.0/Turbo APC B201 1984-1991

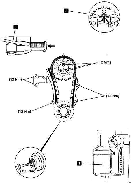
气门正时调整步骤

1.确保飞轮正时标记对准时曲轴在1号气缸的上止点(如图中1所示)。

2.确保凸轮轴链轮正时标记2对准。

3.重新设定正时链张紧器:

  • 释放棘爪3并完全压下张紧器活塞。
  • 重装期间确保张紧器活塞保持在完全压下位置。

3.安装正时链以后释放张紧器活塞。


 
[关闭本窗口]