进口汽车>>正时链>>绅宝
 

9-3 2.2D Turbo


SAAB
车    型 发动机号 年    款
9-3 2.2D/Turbo D223L 1998-2001

气门正时调整步骤

1.拆装要求:

  • 拆卸发动机

注意:拧紧顺序和力矩参考Autodata技术数据。

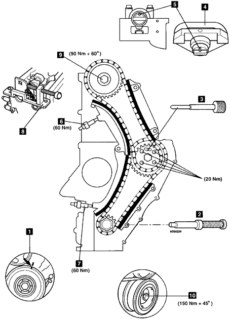
  • 拆卸机油盘

2.转动曲轴,直到恰好在1号气缸的上止点标记以前(如图中1所示)。

3.确保1号气缸凸轮轴凸角朝上(如图中1所示)。

4.拆下曲轴位置(CKP)传感器。

5.顺时针慢慢转动曲轴,直到锁销2能插入曲轴中。工具号83 95 352。

6.将锁销3插入喷油泵内的孔内。工具号83 95 337。

7.将锁止工具4装配到凸轮轴后部。工具号83 95 386。

8.确保销子定位在凸轮轴内5位置。

9.拆下正时链张紧器6和7。

10.气缸盖在原位时拆下上正时链。

  • 在凸轮轴链轮上装配正时链调节器8。工具号83 95 394。

11.确保喷油泵锁销在任何时候都能轻松移动。

12.装配新的凸轮轴链轮螺栓9。拧紧力矩:90牛顿米+60°。

13.安装正时链后安装正时链张紧器6和7。拧紧力矩:60牛顿米。

14.装配新的曲轴皮带轮螺栓10。拧紧力矩:150牛顿米+45°。


 
[关闭本窗口]