进口汽车>>正时链>>丰田
 

Previa 2.4


TOYOTA
车    型 发动机号 年    款
Previa 2.4 2TZ-FE 1990-2001

气门正时调整步骤

拆卸

1.拆卸/重装正时链盖需要:

  • 拆下发动机和变速器。
  • 拆下曲轴箱盖。
  • 拆下气缸盖。

注意:关于拧紧顺序和拧紧力矩,请参阅Autodata技术数据。

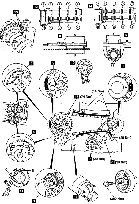
2.确保曲轴键槽在9点钟位置1。

3.拆下正时链张紧器和凸轮轴链轮。

警告:要避免损坏凸轮轴和气缸盖,必须遵守下面的步骤。

注意:凸轮轴轴承盖从凸轮轴齿轮端开始编号。

4.拆下排气凸轮轴:

  • 松开并拆下排气凸轮轴6号轴承盖。
  • 在上止点前5-30°对齐排气凸轮轴齿轮的定位销孔,见2。
  • 将维修螺栓安装到排气凸轮轴齿轮3上。
  • 松开并拆下排气凸轮轴1号、2号、3号和5号轴承盖。
  • 松开并拆下排气凸轮轴4号轴承盖。
  • 拆下排气凸轮轴。

5.拆下进气凸轮轴:

  • 在上止点前75-100°对齐进气凸轮轴齿轮的定位销,见4中的‘B’。
  • 松开并拆下进气凸轮轴1号、2号、4号和5号轴承盖。
  • 松开并拆下进气凸轮轴3号轴承盖。
  • 拆下进气凸轮轴。

6.检查正时链是否磨损:

  • 完全伸展正时链。
  • 如果16个链节之间的长度‘B’超过146.6毫米,见5中的‘A’,更换正时链。
  • 如果18个链节之间的长度‘B’超过140.5毫米,见5中的‘A’,更换水泵。

7.检查链轮是否磨损:

  • 将正时链安装到曲轴链轮上。
  • 如果正时链轮的直径‘X’小于59.4毫米,更换链轮,见6。
  • 将正时链安装到凸轮轴链轮上。
  • 如果正时链轮的直径‘X’小于113.8毫米,更换链轮,见6。
  • 将水泵链条安装到曲轴链轮上。
  • 如果正时链轮的直径‘X’小于69.9毫米,更换链轮,见6。
  • 将水泵链条安装到惰轮上。
  • 如果正时链轮的直径‘X’小于57毫米,更换链轮,见6。

8.检查正时链导轨是否磨损:最大1.0毫米。

安装

1.使曲轴键槽对齐9点钟位置1。

2.安装水泵链条和惰轮7。

3.设定水泵链条张紧力。

4.松开并重新拧紧张紧器螺栓8。

注意:只能用弹簧张紧器使张紧器工作。

5.安装正时链,确保带标记的正时链对齐,见1和9。

6.正时链10固定到凸轮轴链轮。

7.安装正时链盖和曲轴箱盖。

8.安装气缸盖。

9.如果排气凸轮轴齿轮已经被拆下:

  • 安装维修螺栓‘A’,见11。
  • 支撑住凸轮轴并顺时针方向转动前齿轮。
  • 安装维修螺栓‘B’,见11。
  • 拆下维修螺栓‘A’。

警告:要避免损坏凸轮轴和气缸盖,必须遵守下面的步骤。

10.安装进气凸轮轴:

  • 在上止点前75-100°对齐进气凸轮轴齿轮定位销,见4中的‘B’。
  • 安装轴承盖并按顺序逐步拧紧每一个螺栓12。拧紧力矩:16Nm。

11.安装排气凸轮轴:

  • 在上止点前5-30°对齐进气凸轮轴齿轮定位销,见2。

12.确保正时标记对齐,见13。

  • 安装轴承盖并按顺序逐步拧紧每一个螺栓14。拧紧力矩:16Nm。

13.拆下维修螺栓3。

14.用一个合适的密封圈重新安装排气凸轮轴6号轴承盖。拧紧力矩:16Nm。

15.使凸轮轴定位销对齐9点钟位置9。

16.安装凸轮轴链轮螺栓,见15。

17.重新缩回正时链张紧器并使固定销16工作。

18.安装正时链张紧器。

注意:安装时,正时链张紧器固定销将不工作。


 
[关闭本窗口]