进口汽车>>正时链>>富豪
 

760 2.8


VOLVO
车    型 发动机号 年    款
760 2.8 B28A/E,B280E/F 1982-1991

气门正时调整步骤

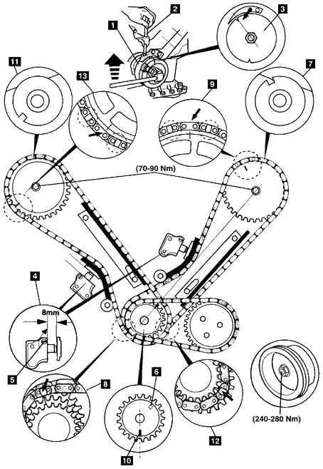
1.将发动机设定到1号气缸的上止点位置1:

2.拆下塞子。

3.将8毫米锁止销2插入气缸体的小孔中。

4.转动曲轴直到销子被安装到曲轴平衡重的小孔中。

5.确保曲轴皮带轮的第一个正时标记与标尺上的零标记对齐,见3。

6.如果没有对齐,调整正时标尺。

7.检查正时链张紧器的凸起4。

注意:如果凸起超过8毫米,更换正时链、链轮和油滤网。

8.将正时链锁止在缩回位置:

  • 使用螺丝刀,逆时针方向转动张紧器锁5。

9.安装左侧凸轮轴链轮和正时链:

  • 朝向左侧凸轮轴对齐曲轴键槽6。
  • 确保左侧凸轮轴上的凹槽7朝上。
  • 确保曲轴链轮上的正时标记与正时链上的标记对齐,见8。将正时链放在内部链轮上。
  • 确保凸轮轴链轮上的正时标记在正时链上的标记之间,见9。
  • 确保链轮之间非张力侧的正时皮带是紧的。

10.安装右侧凸轮轴链轮和正时链:

  • 顺时针方向转动曲轴直到键槽在6点钟位置10。
  • 确保右侧凸轮轴上的凹槽11朝向外侧。
  • 确保曲轴链轮上的正时标记与正时链上的标记对齐,见12。将正时链放在中间链轮上。
  • 确保凸轮轴链轮上的正时标记在正时链上的标记之间,见13。
  • 确保链轮之间非张力侧的正时皮带是紧的。

11.将正时链张紧器解锁,见4。

注意:在正时链导向器和张紧器螺栓上使用螺纹锁止剂。


 
[关闭本窗口]