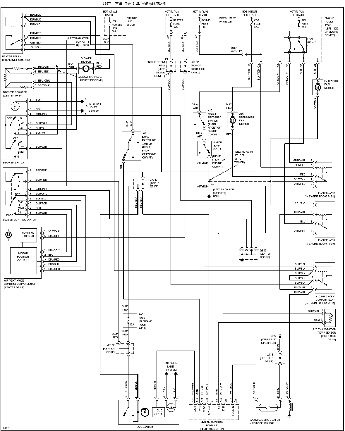
| 2.2L 空调系统电路图 | 2.2L 冷却风扇电路图 |
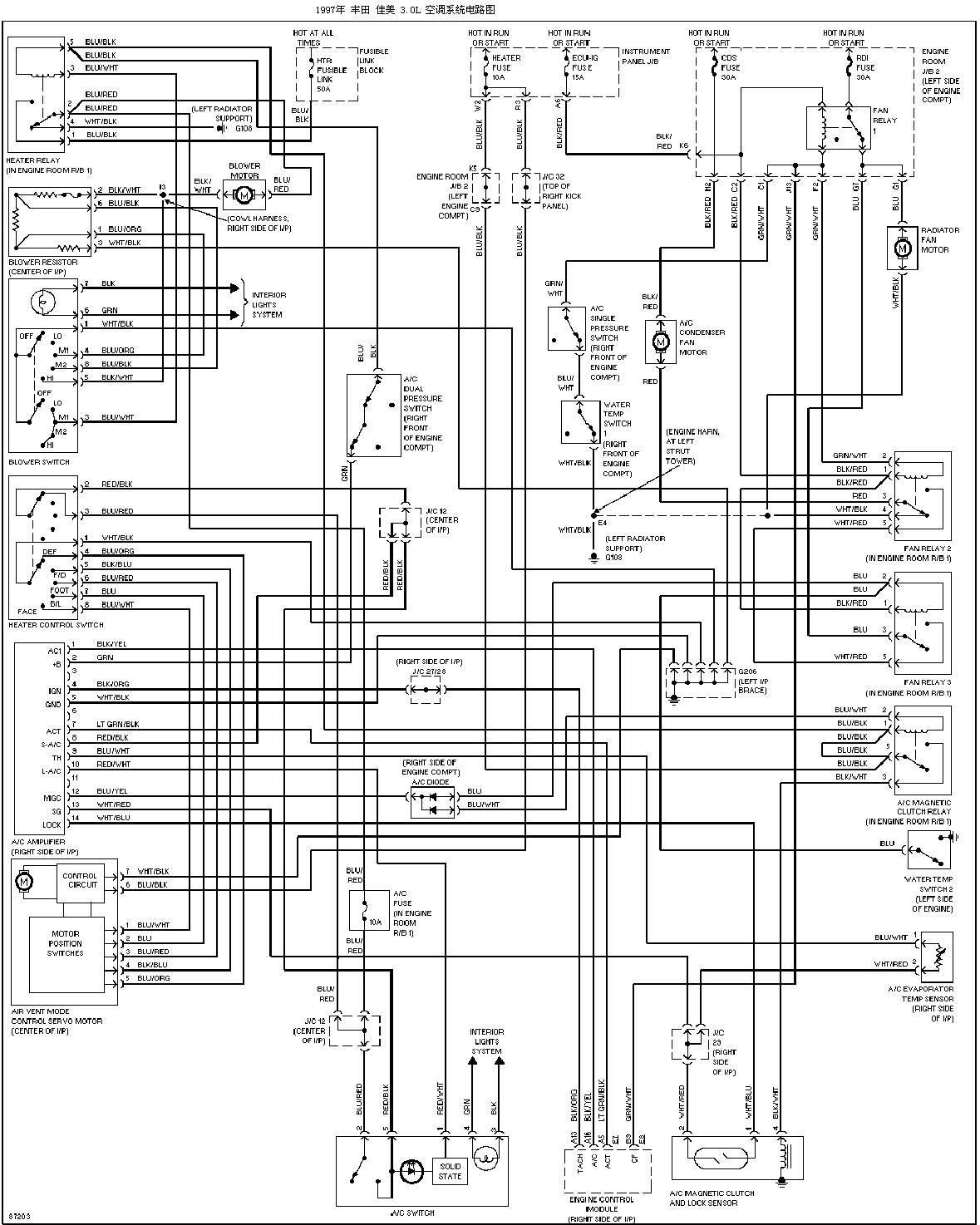
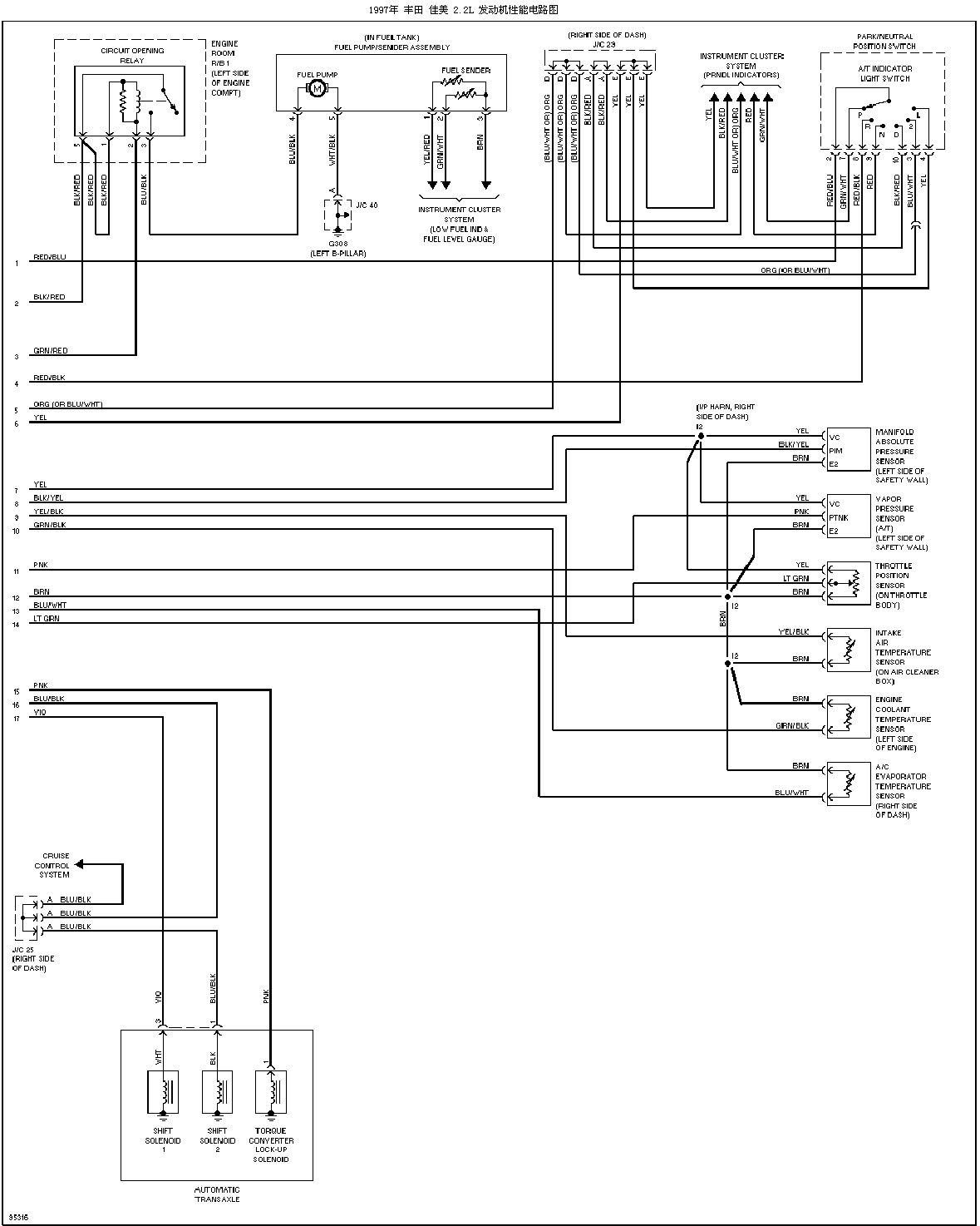
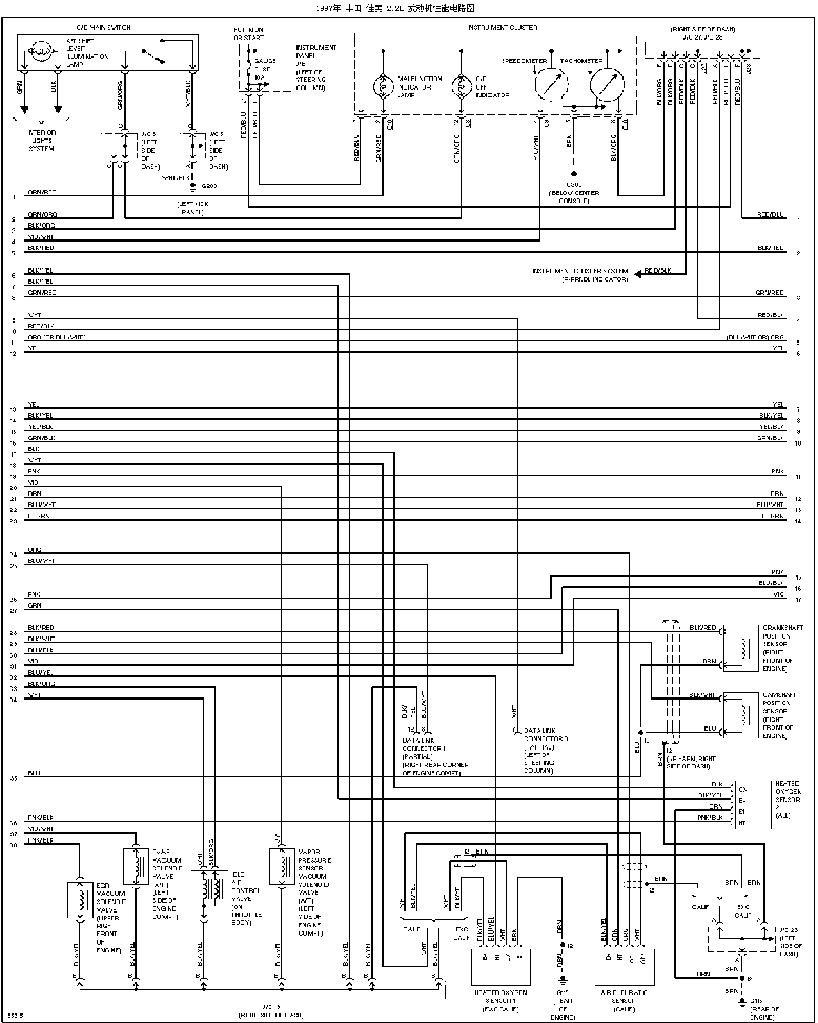
| 2.2L 发动机性能电路图 (1) (2) (3) | 3.0L 空调系统电路图 |
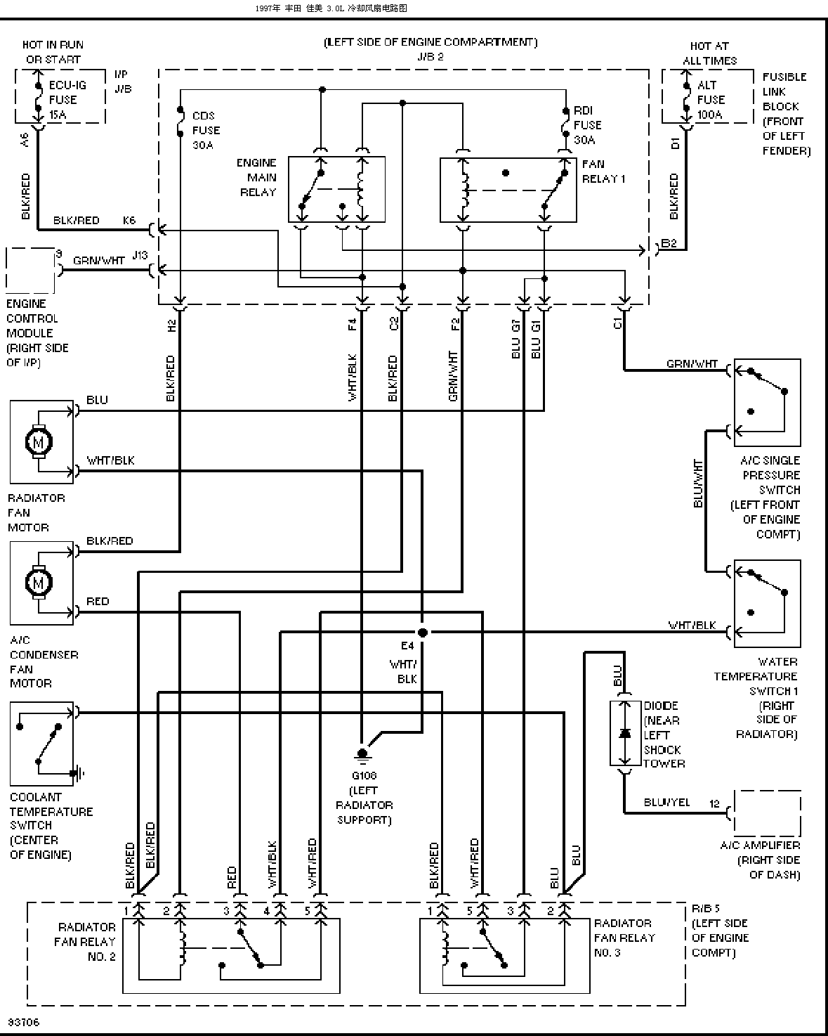
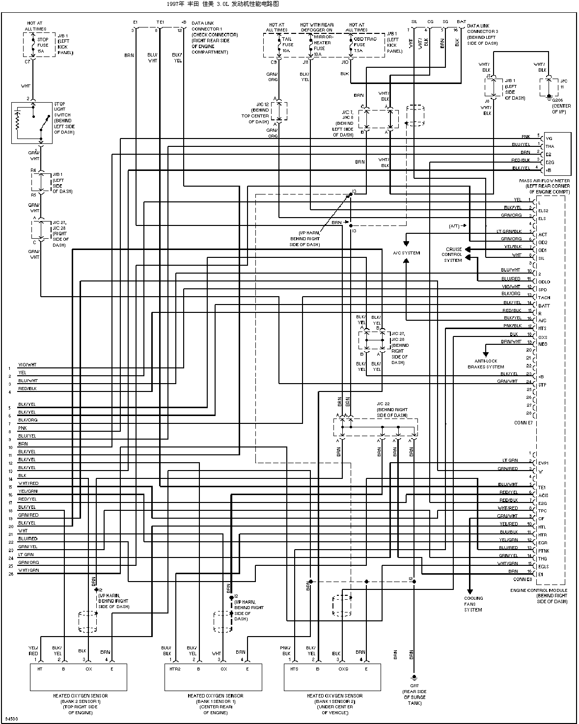
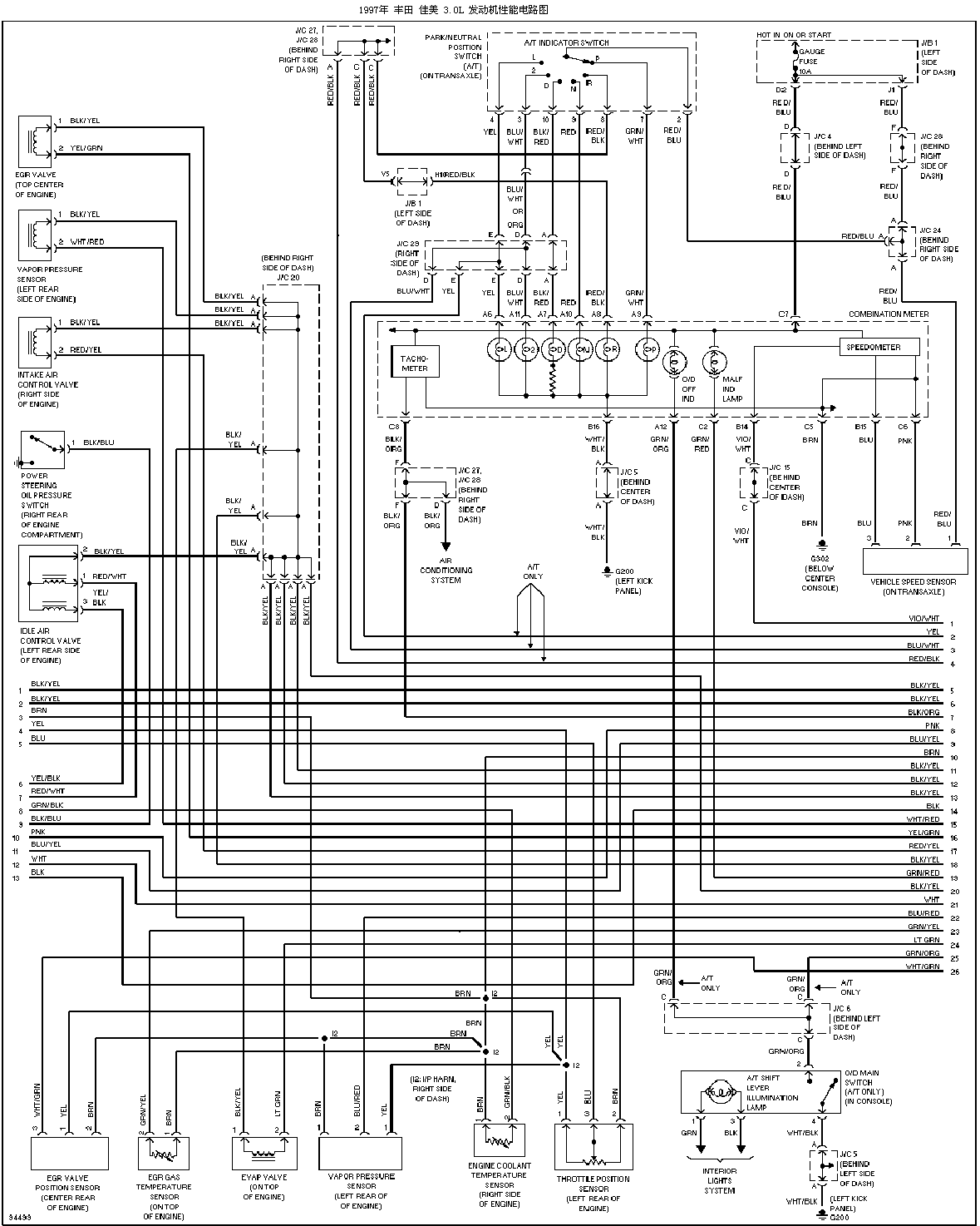
| 3.0L 冷却风扇电路图 | 3.0L 发动机性能电路图 (1) (2) (3) |
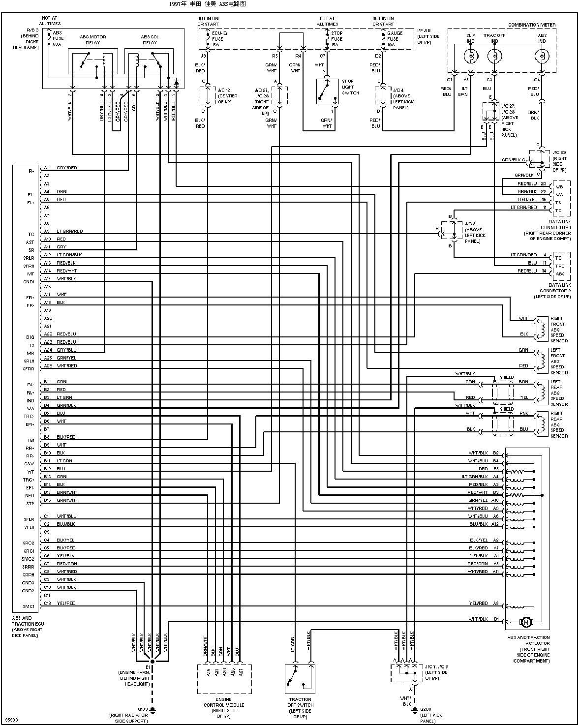
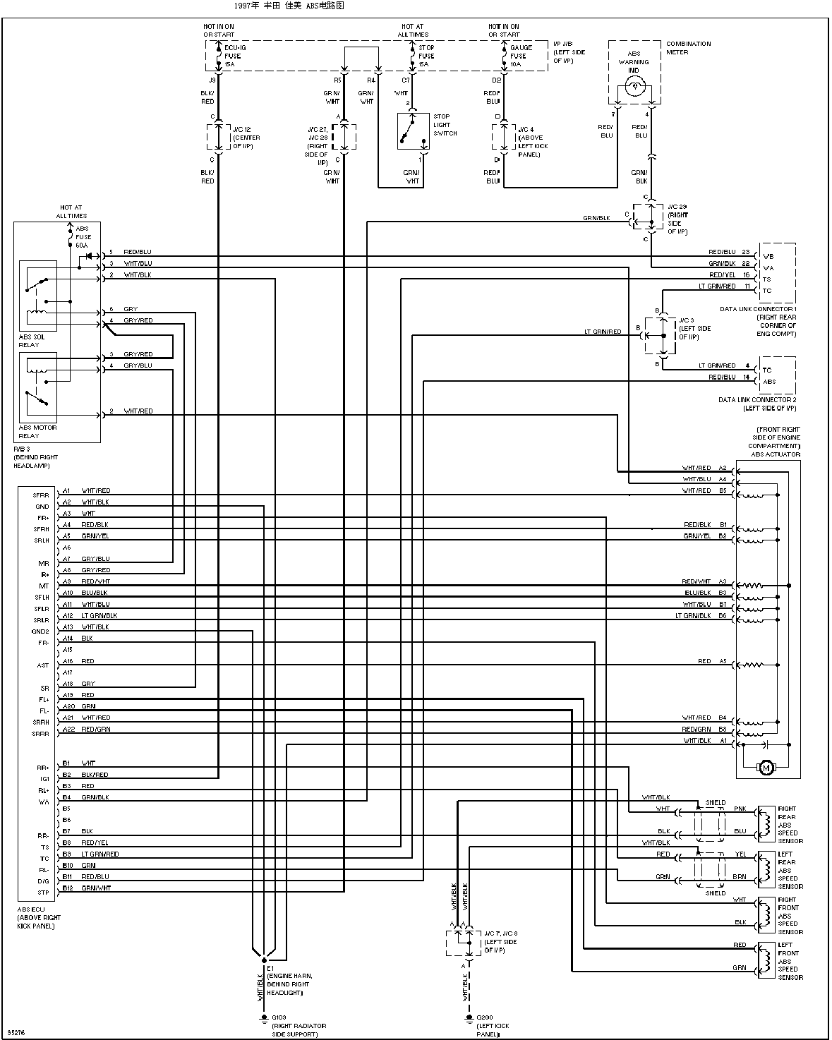
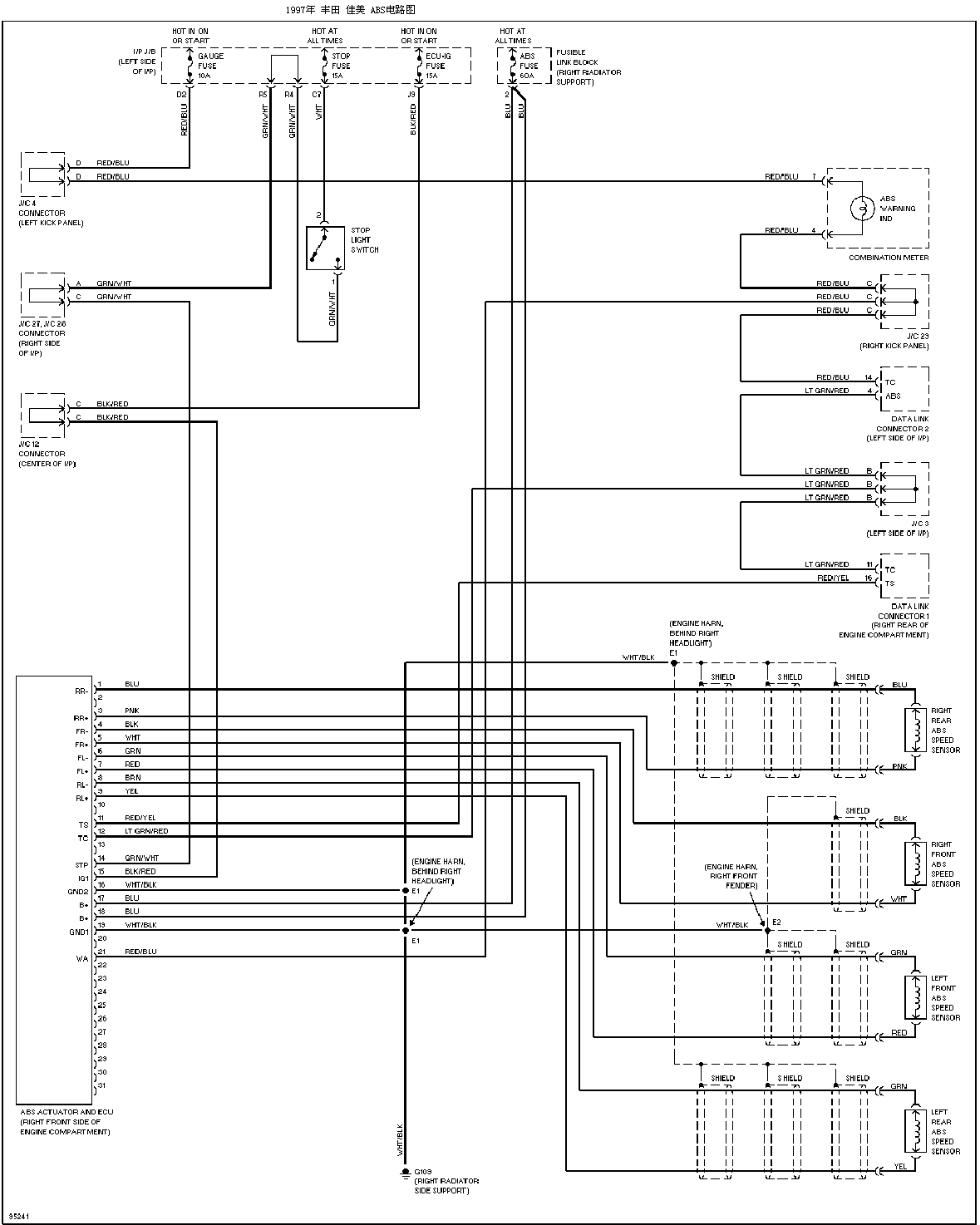
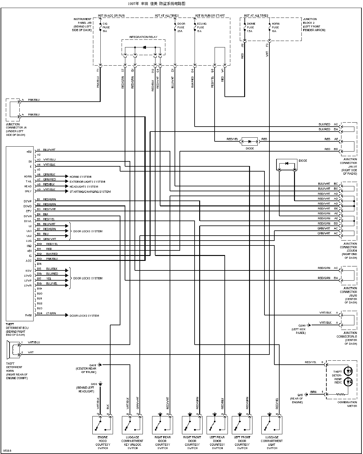
| ABS电路图 (无(1)(2))(带)牵引力控制 | 防盗系统电路图 |
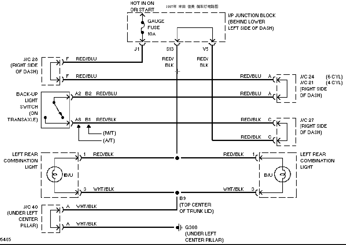
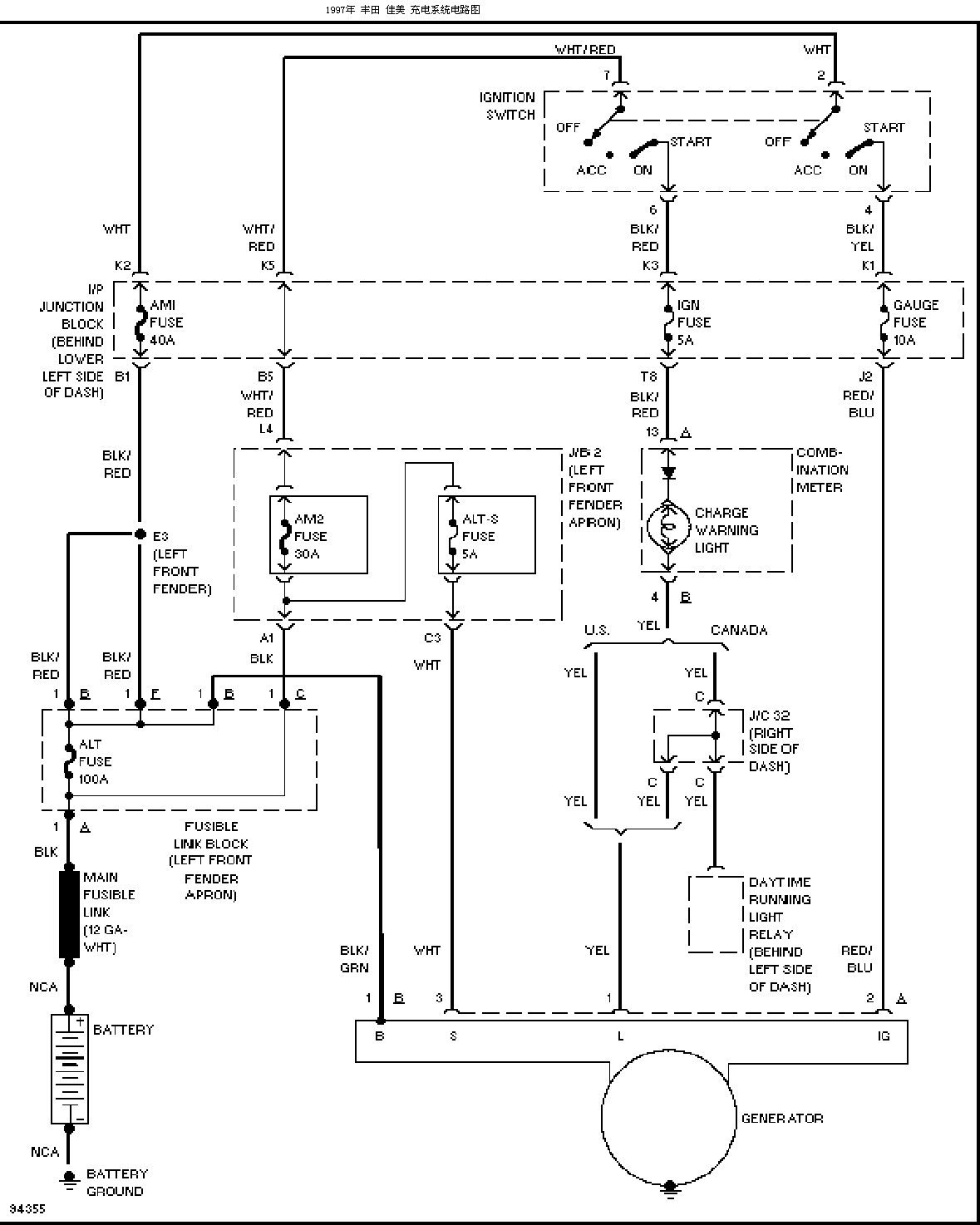
| 倒车灯电路图 | 充电系统电路图 |
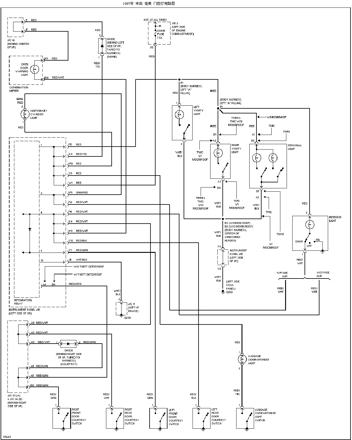
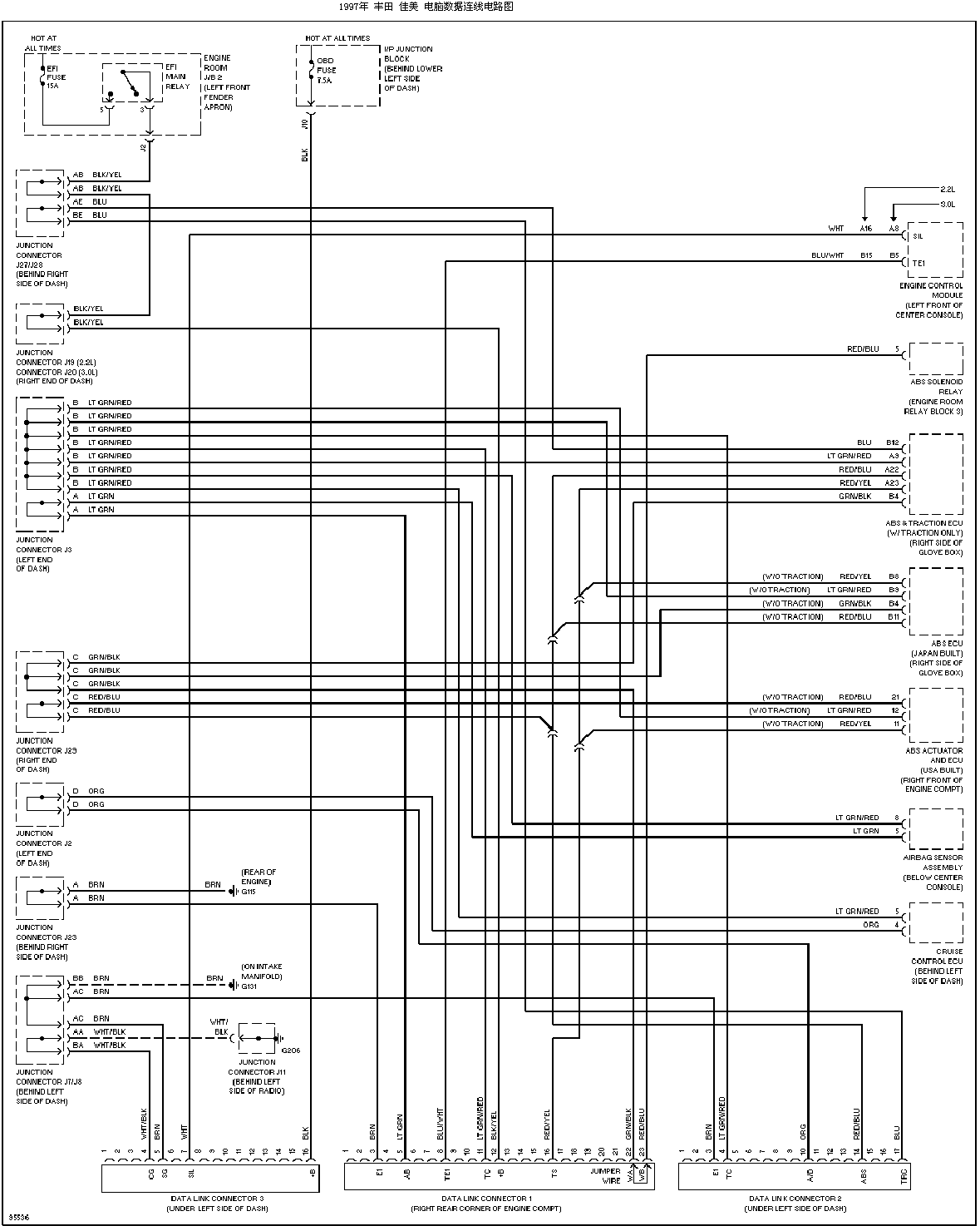
| 电脑数据连线电路图 | 门控灯电路图 |
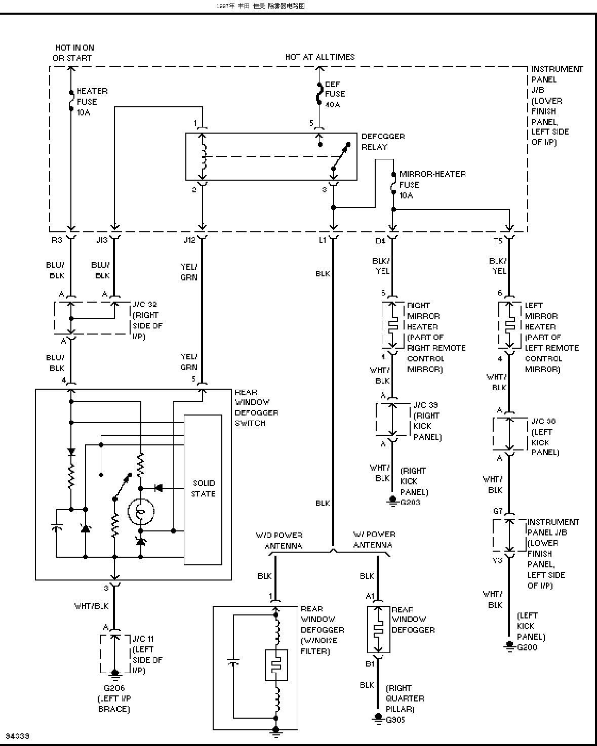
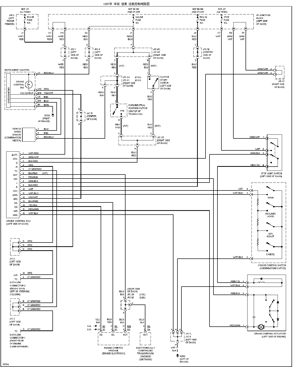
| 巡航控制电路图 | 除雾器电路图 |
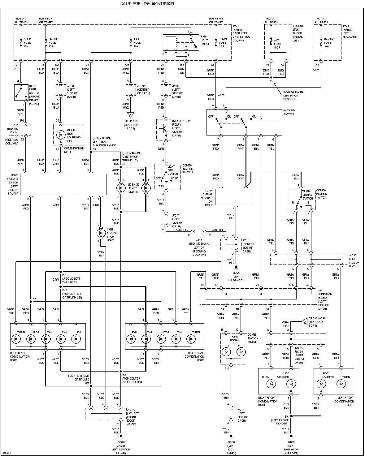
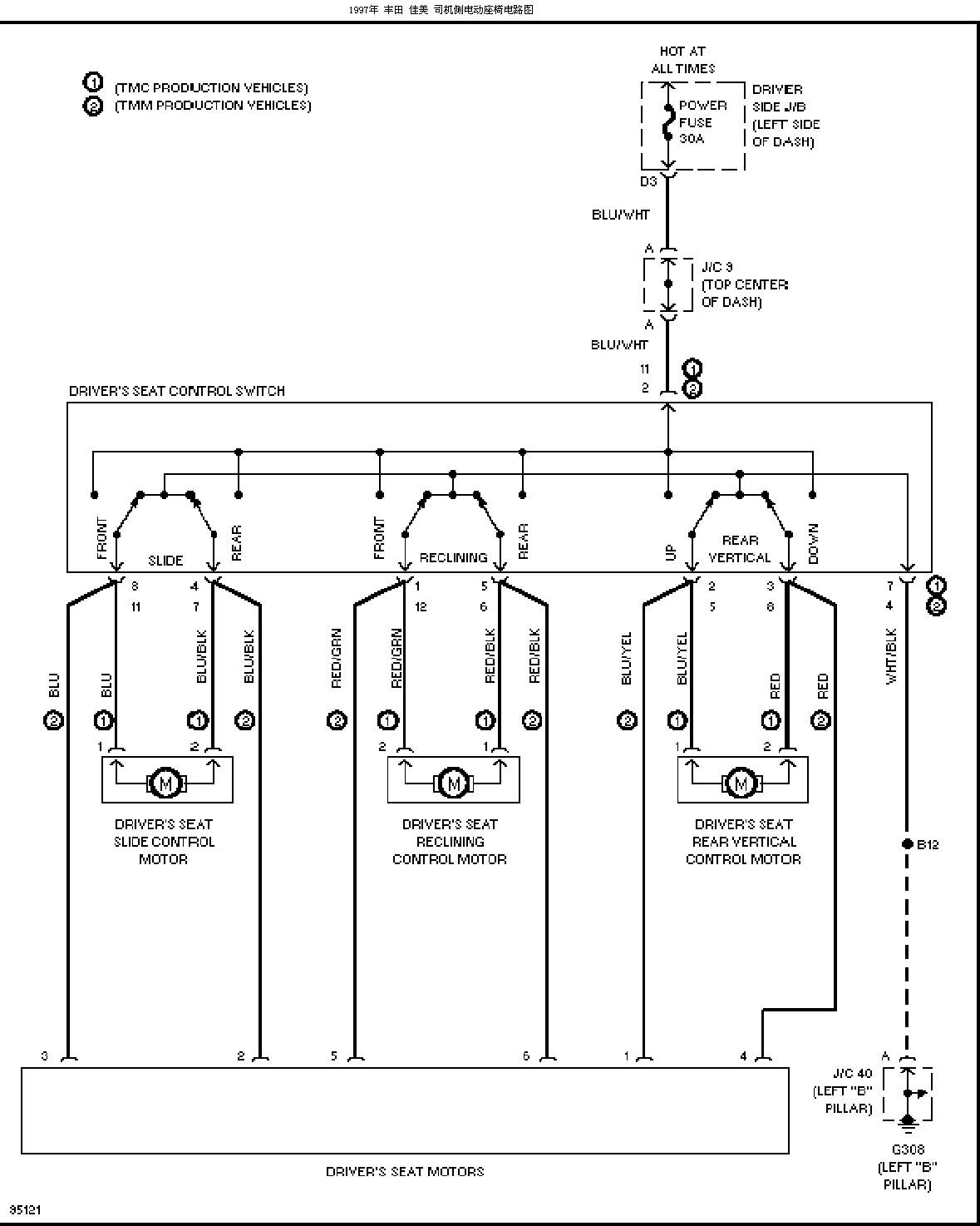
| 司机侧电动座椅电路图 | 车外灯电路图 |
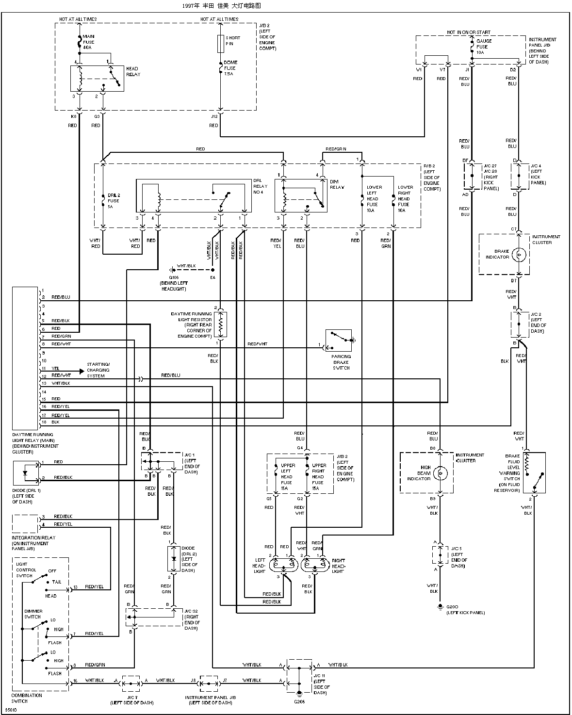
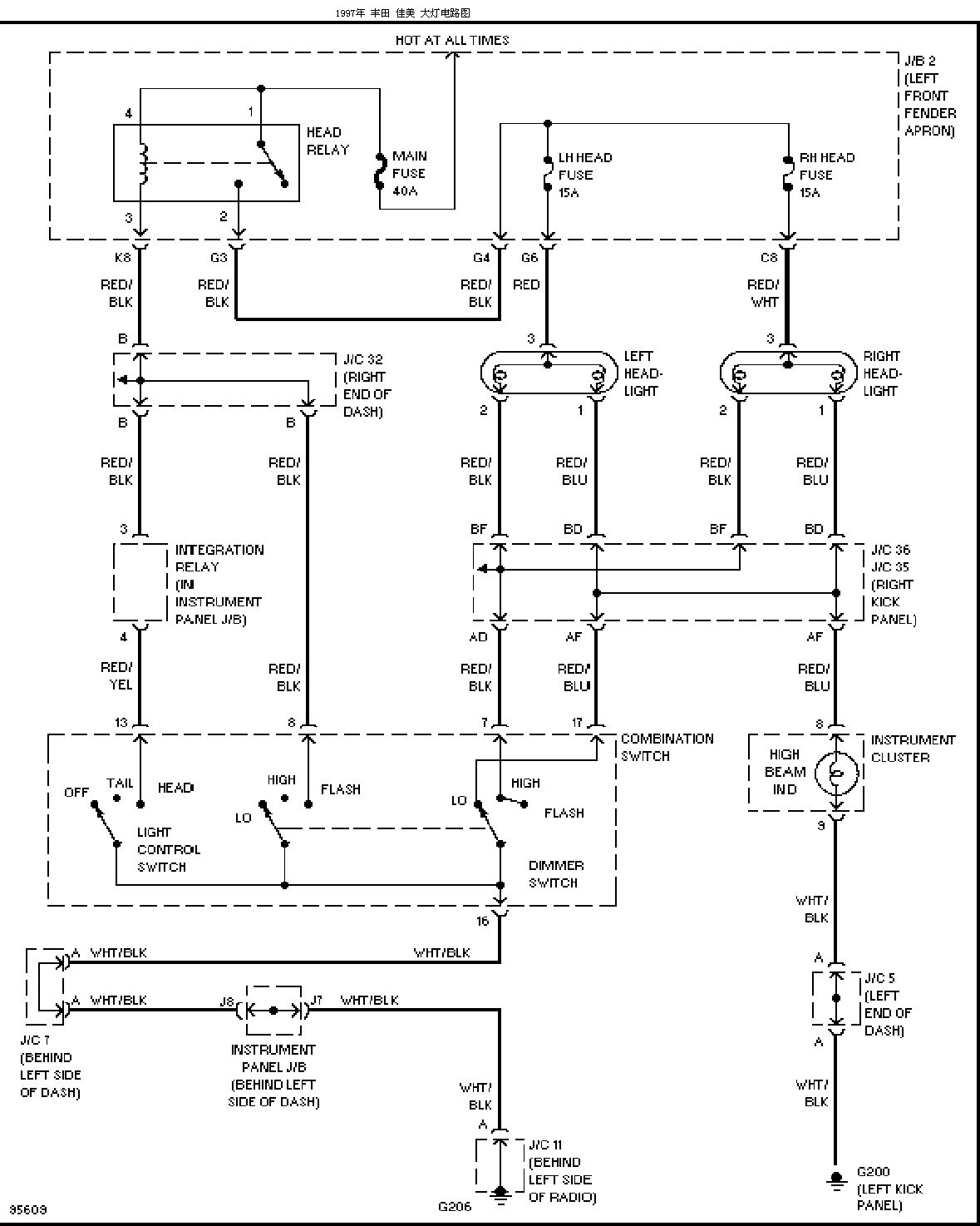
| 搭铁分配电路图 (1) (2) (3) | 大灯电路图 (无) (带)DRL |
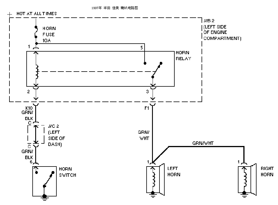
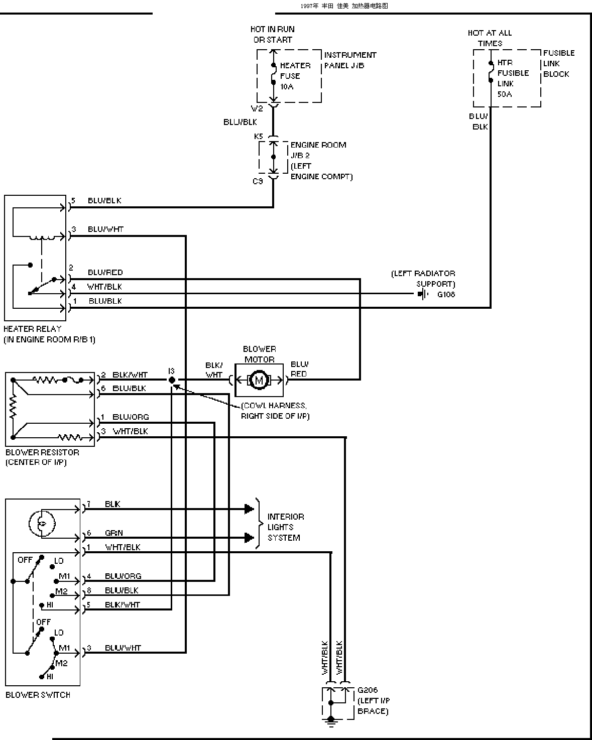
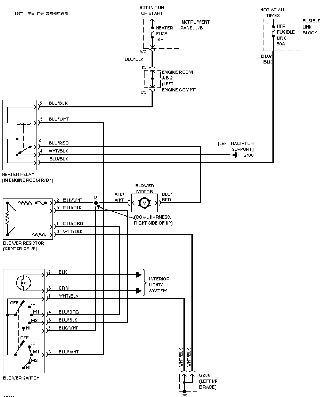
| 加热器电路图 (1) (2) | 喇叭电路图 |
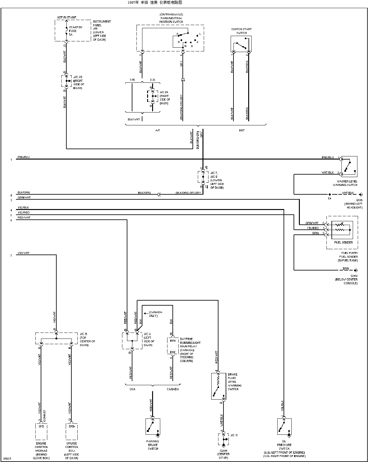
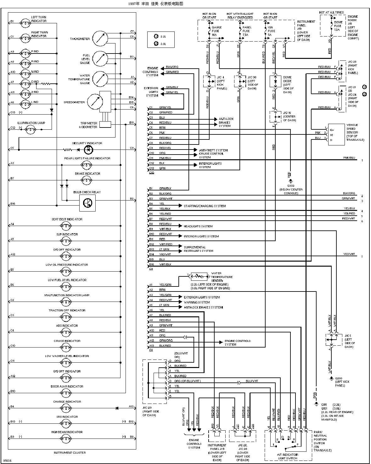
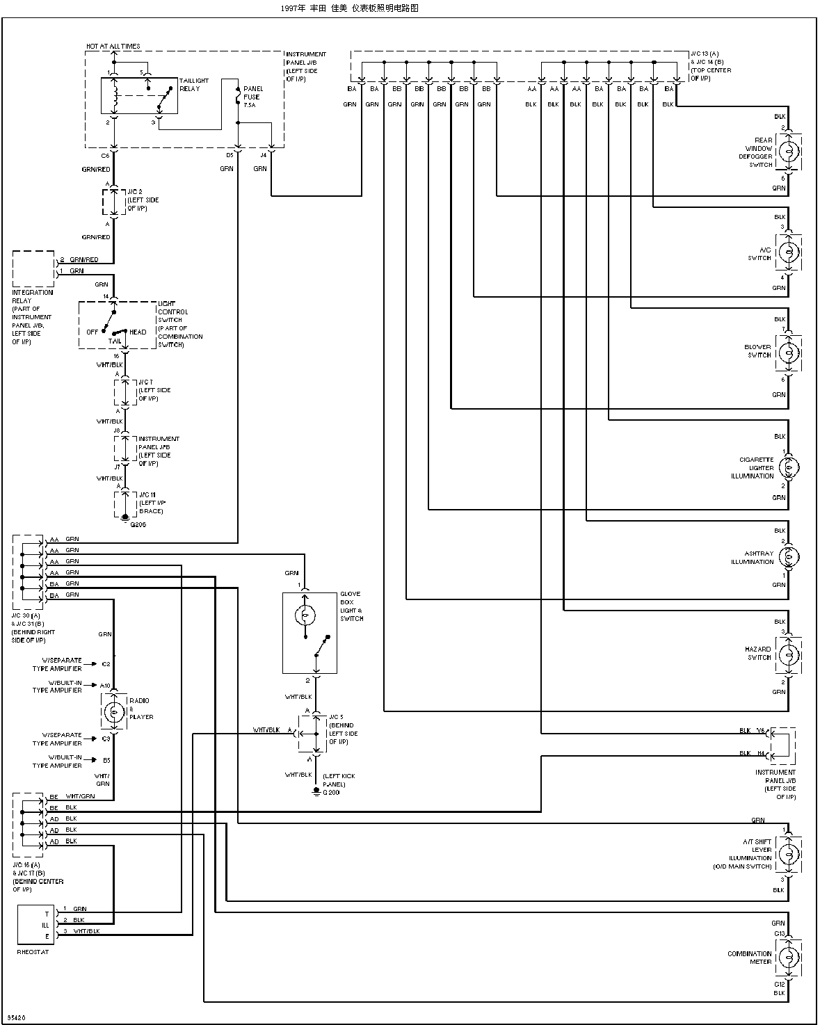
| 仪表板电路图 (1) (2) | 仪表板照明电路图 |
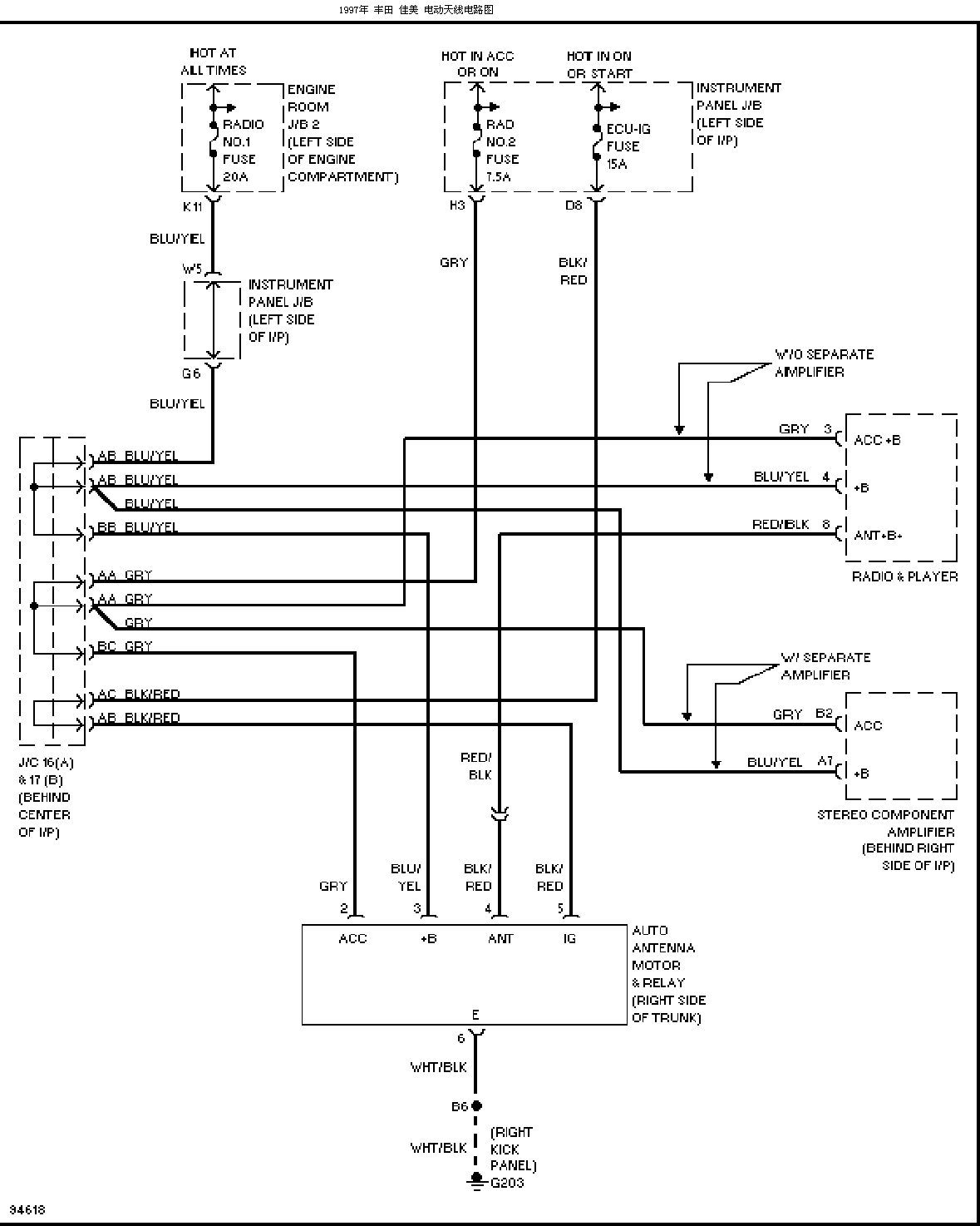
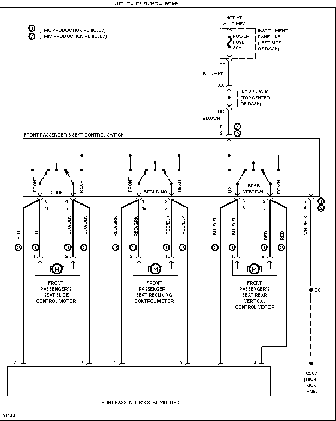
| 乘客侧电动座椅电路图 | 电动天线电路图 |
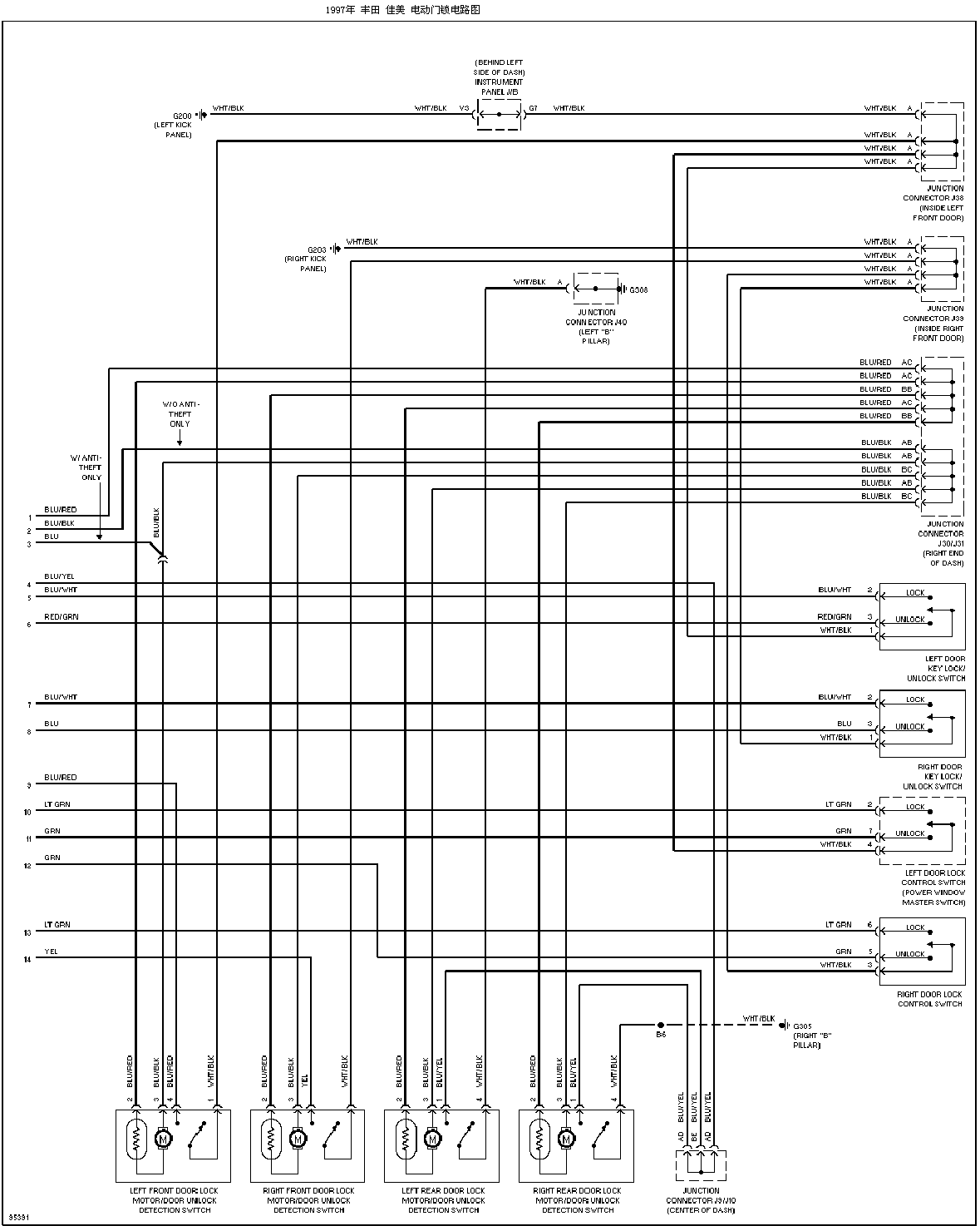
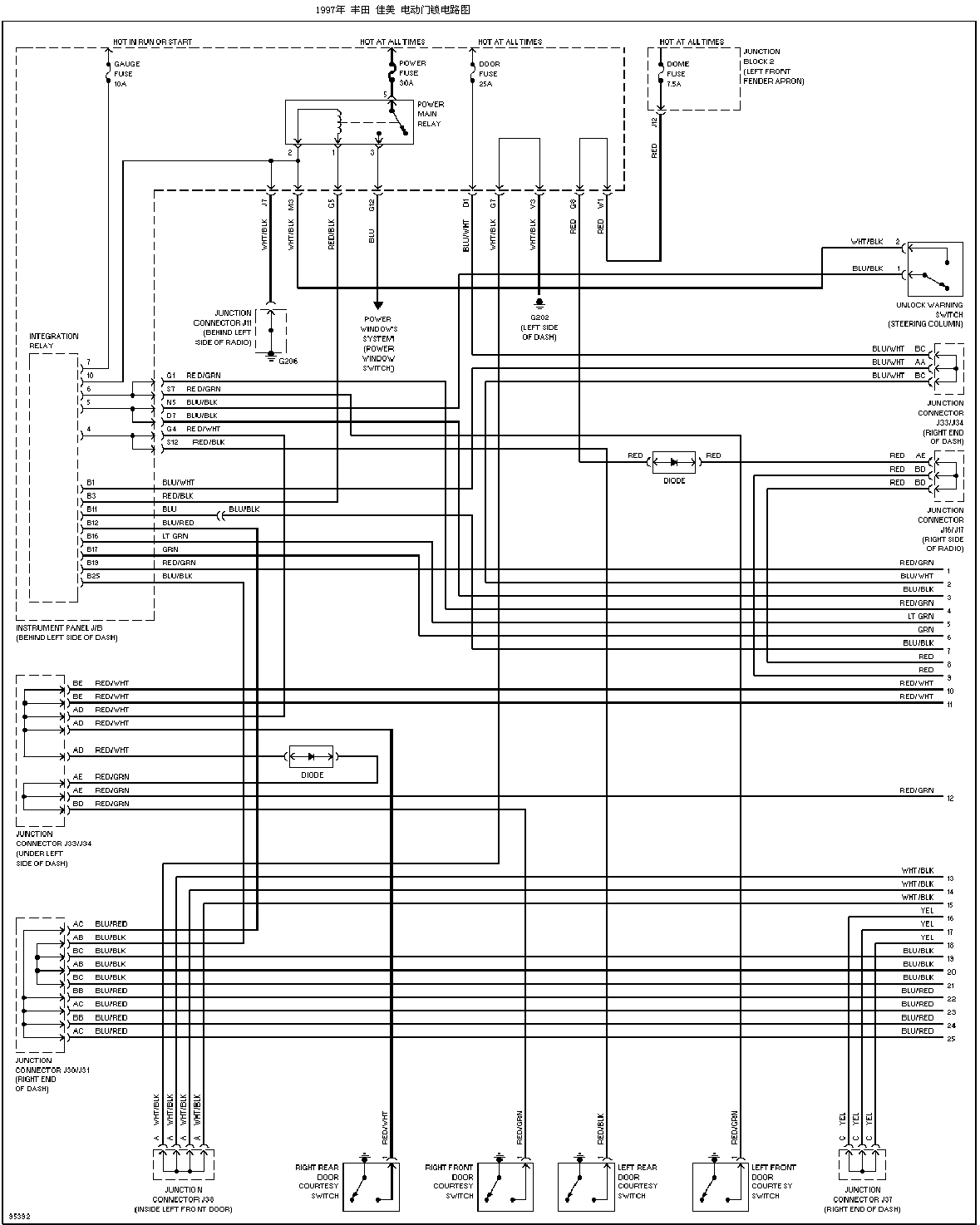
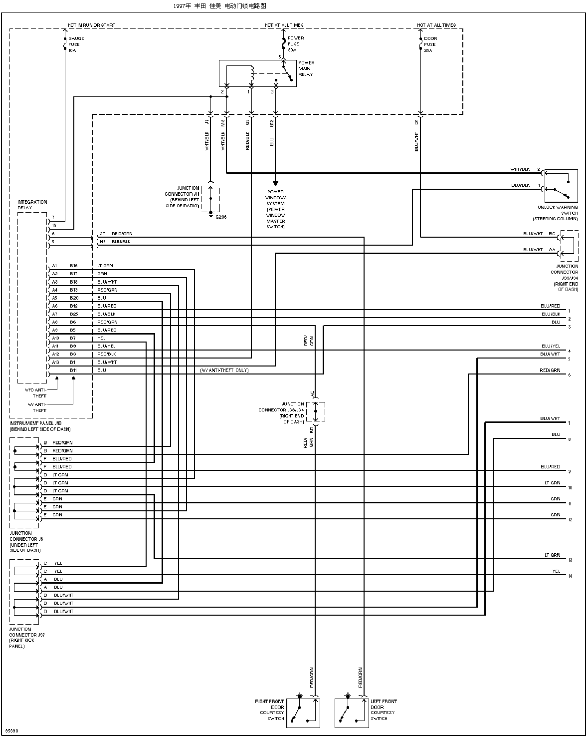
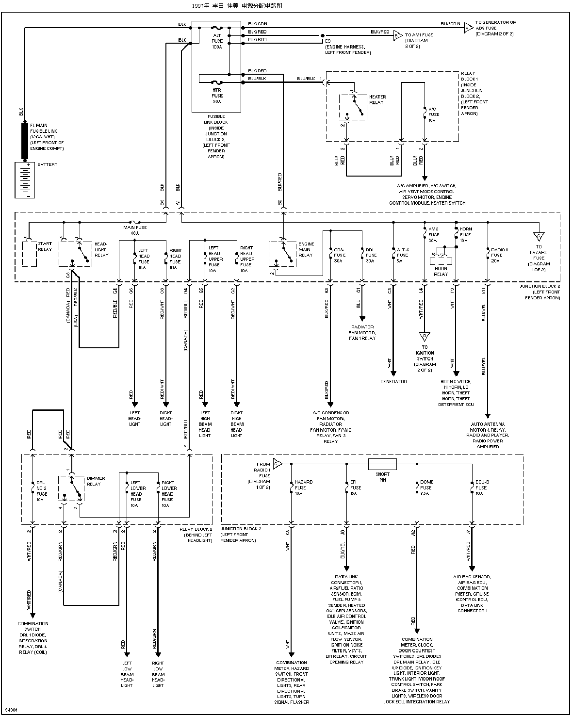
| 电源分配电路图 (1) (2) | 电动门锁电路图(带(1)(2))(无(1)(2))遥控控制 |
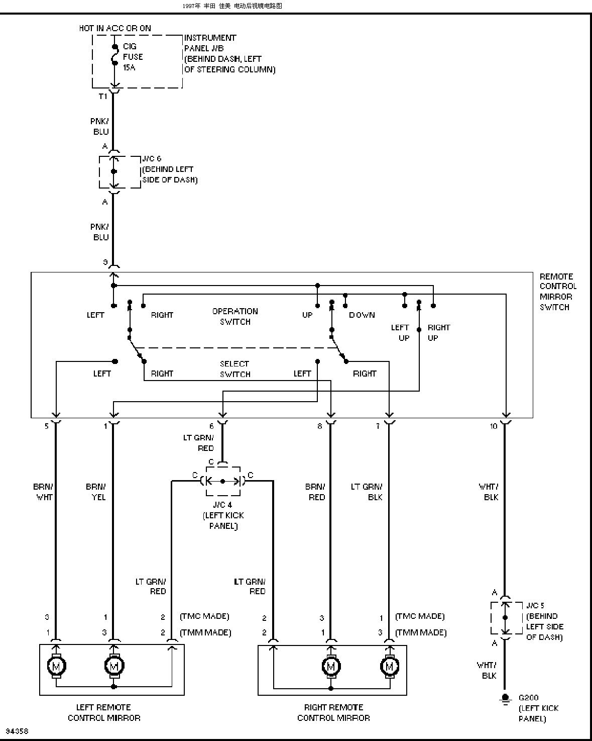
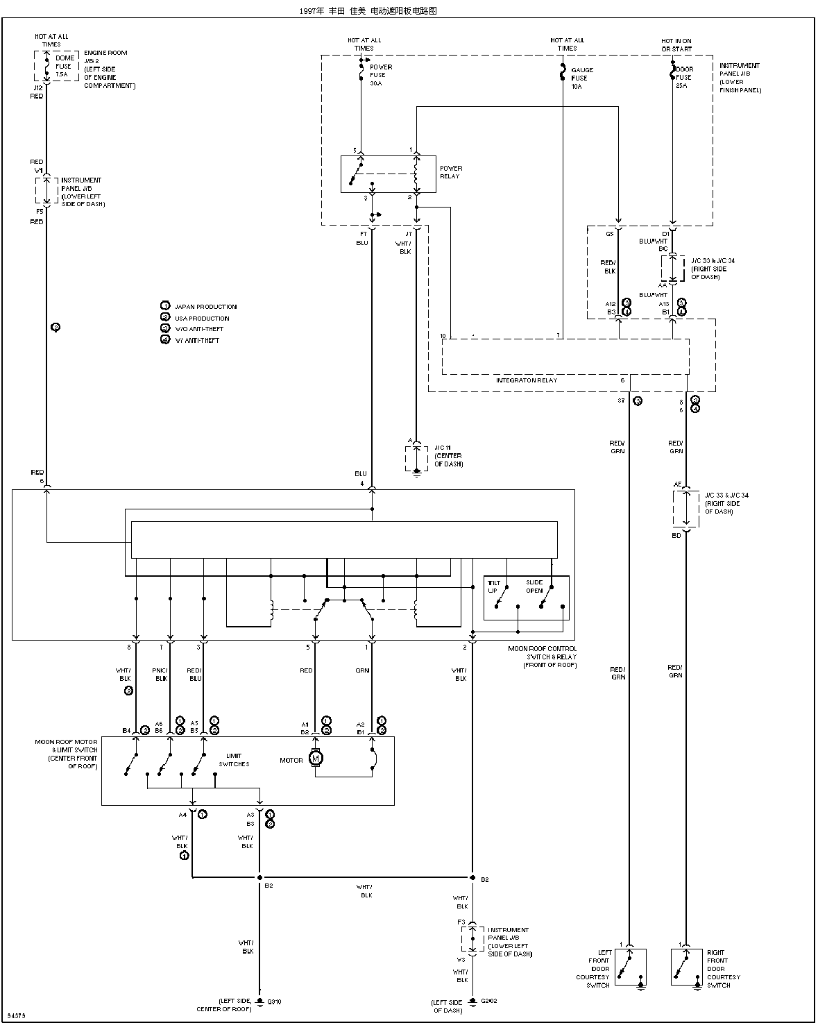
| 电动后视镜电路图 | 电动遮阳板电路图 |
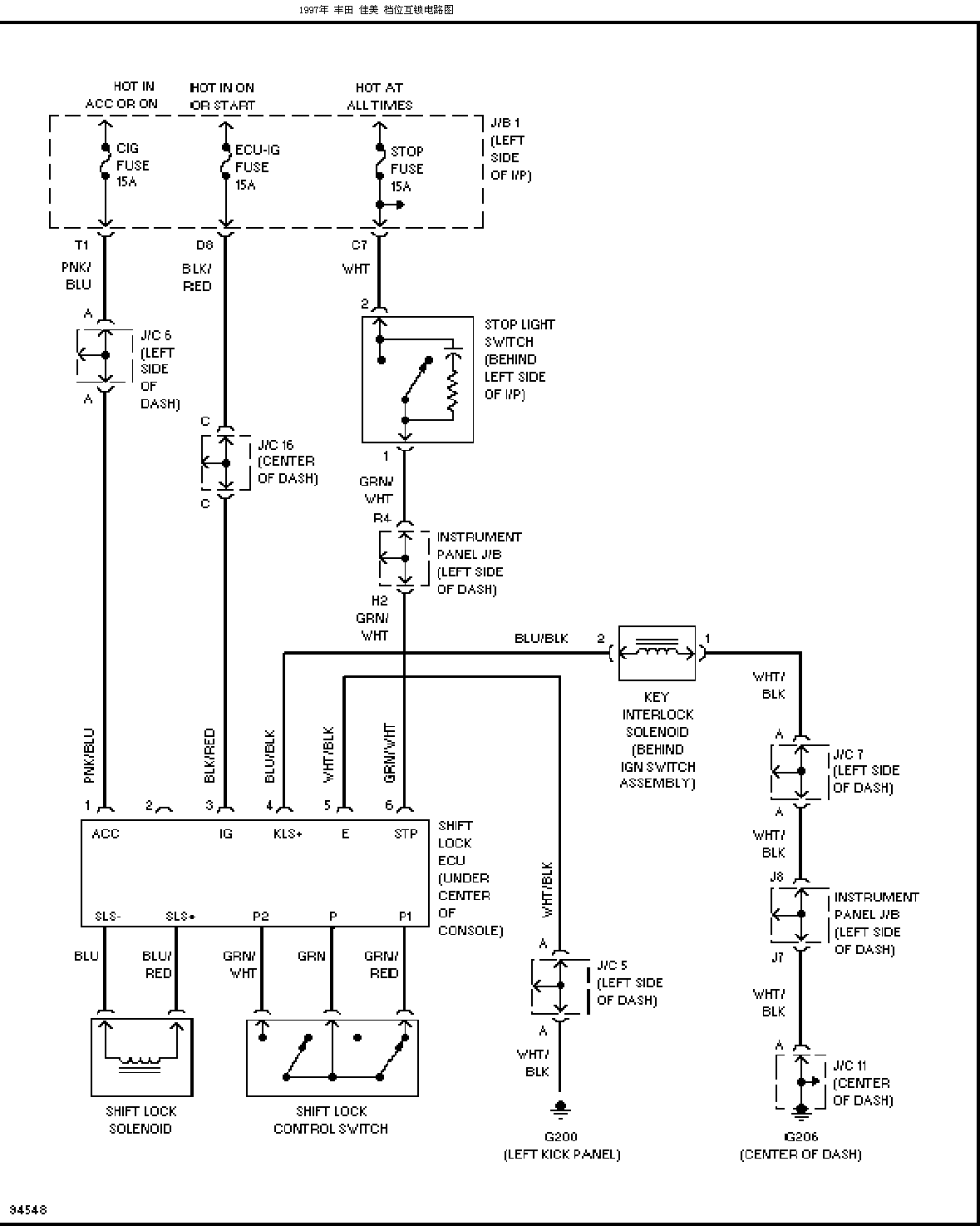
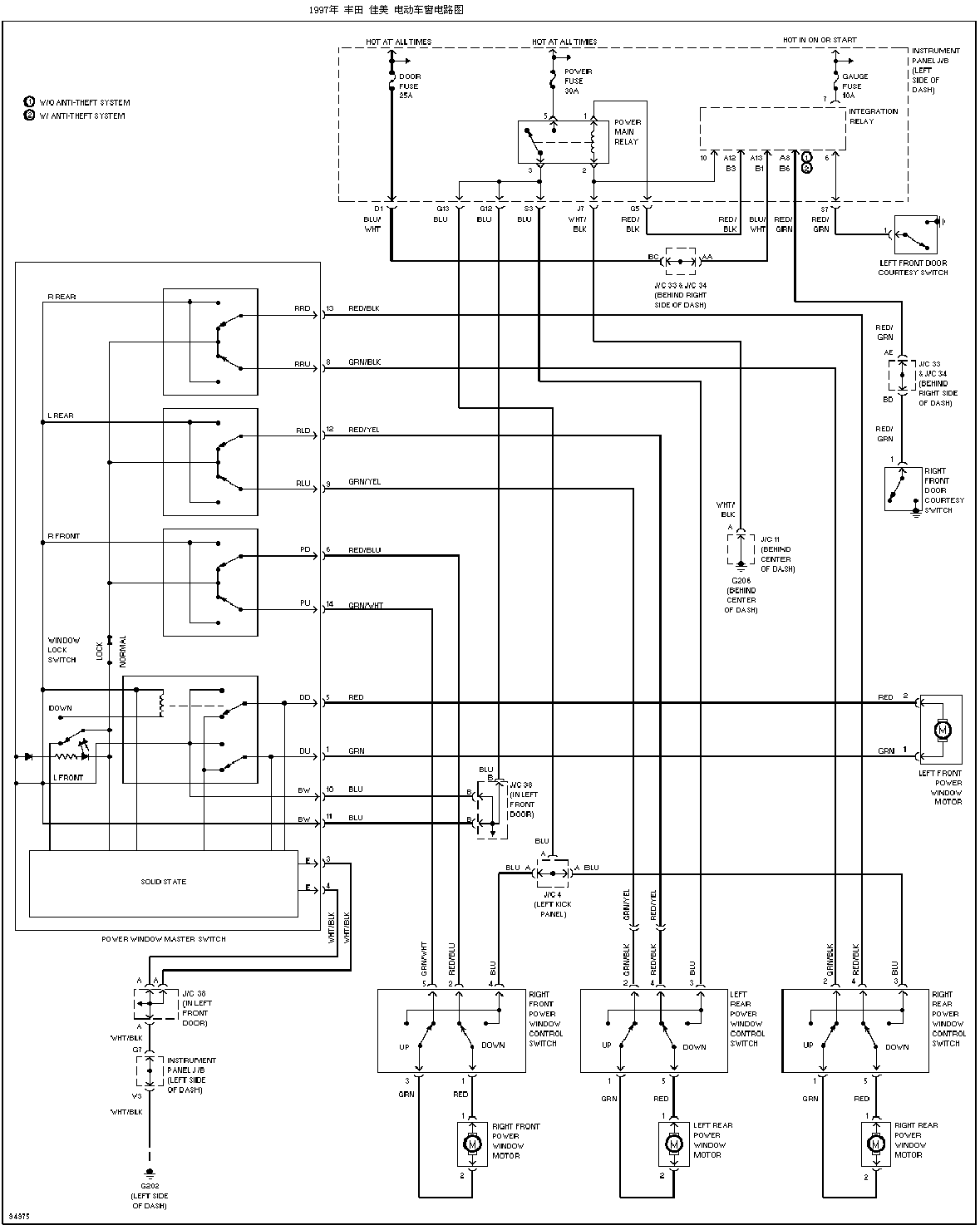
| 电动车窗电路图 | 档位互锁电路图 |
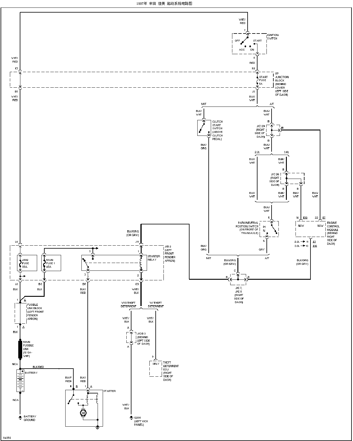
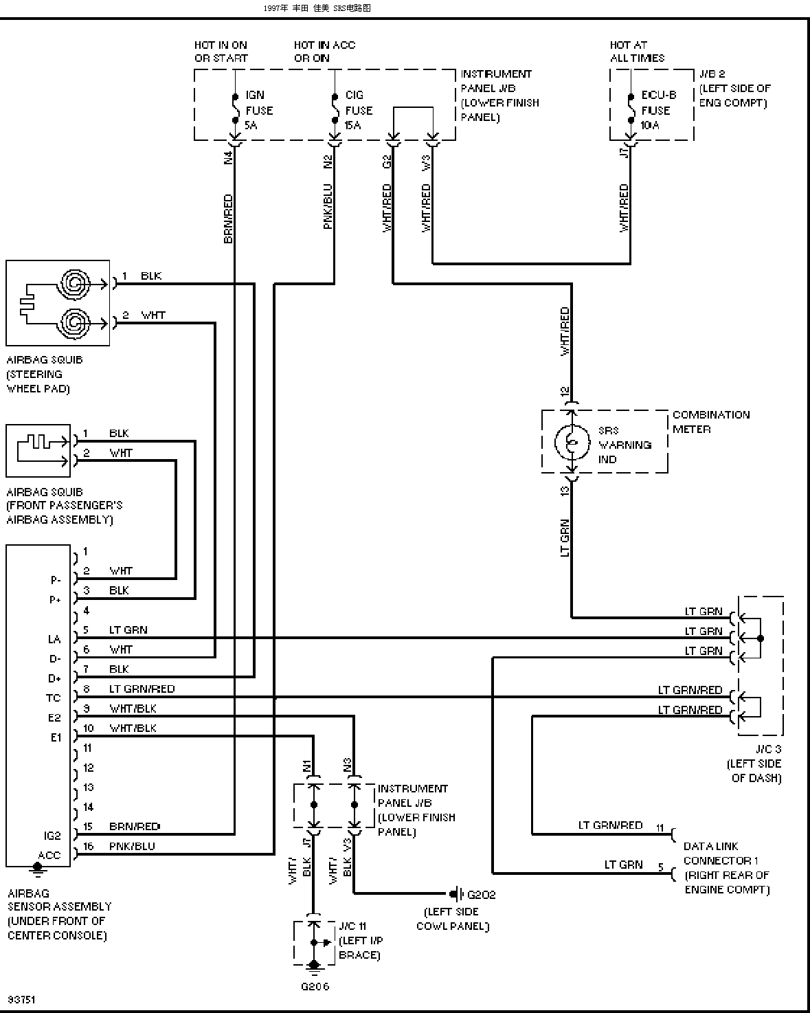
| 起动系统电路图 | SRS电路图 |
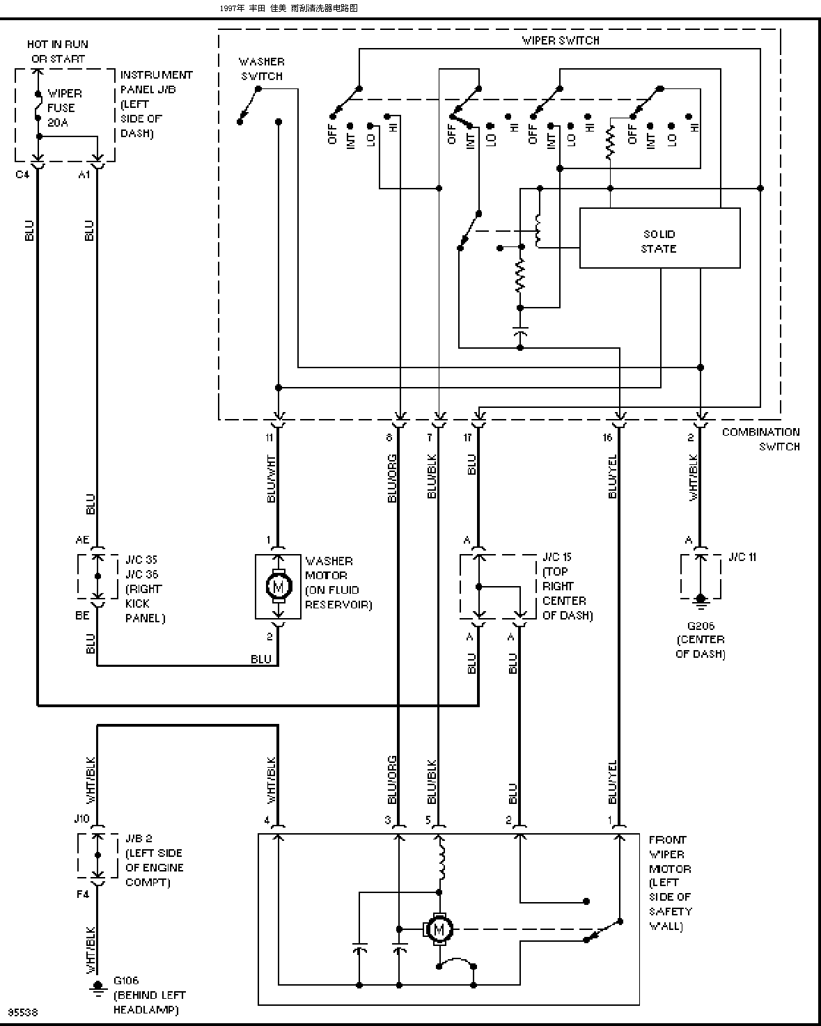
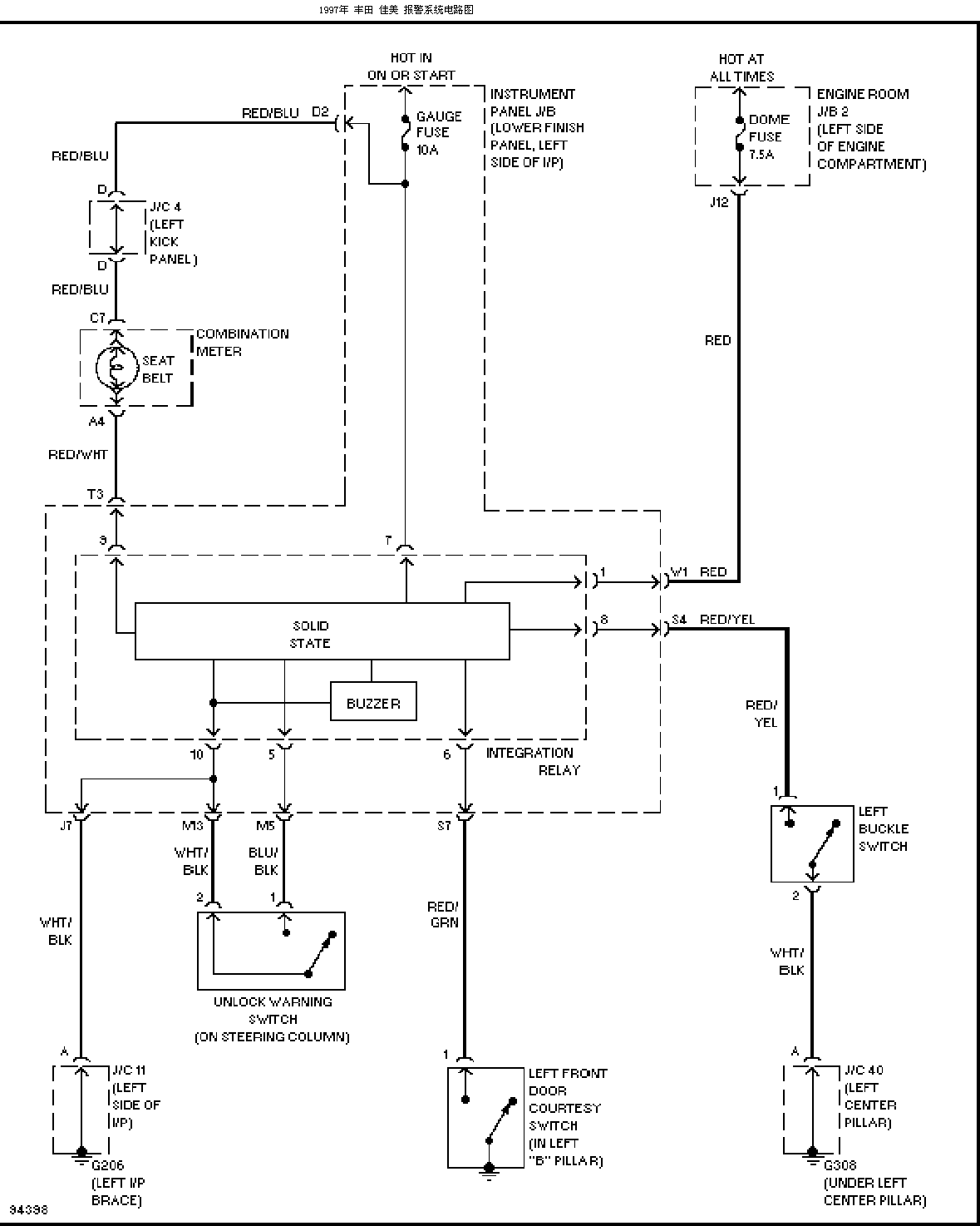
| 报警系统电路图 | 雨刮清洗器电路图 |