E320   94  电路图集

002.gif (3492 bytes)

star26252.gif (852 bytes)发动机性能电路图(3.2L)  1   2 Starl.gif (870 bytes)空调电路图  1  2
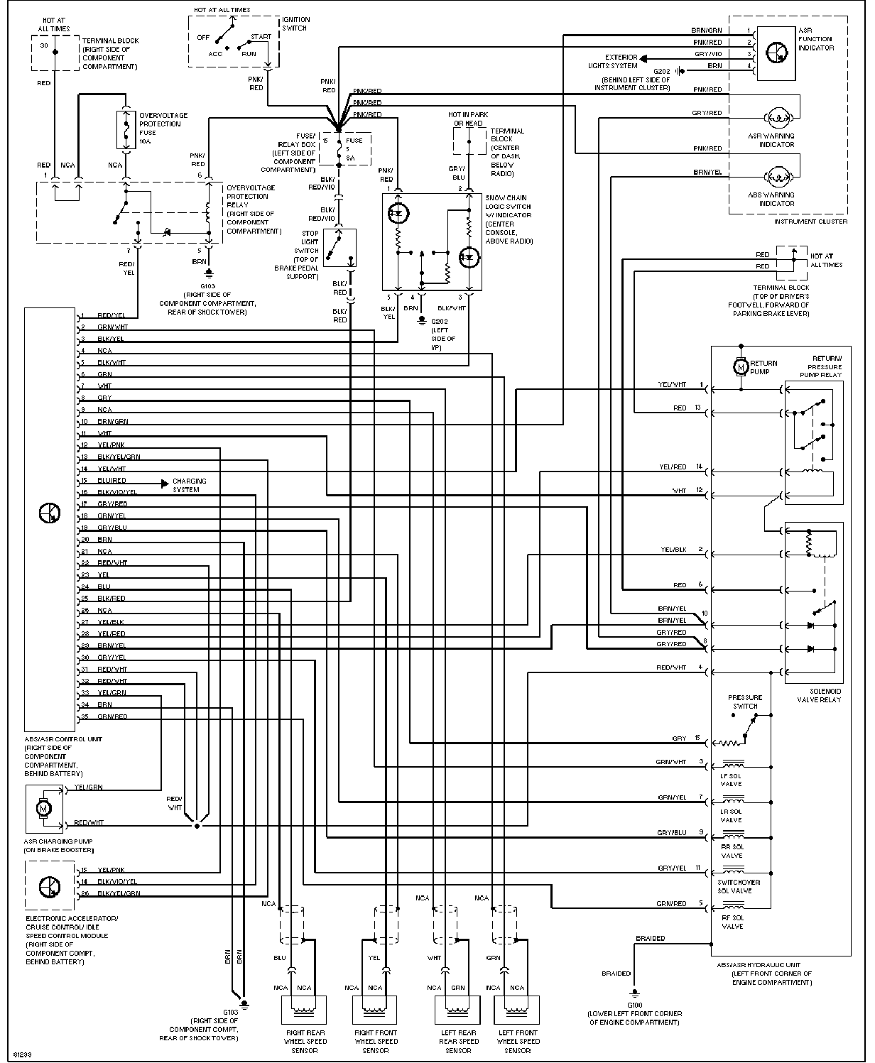
Starl.gif (870 bytes)ABS电路图(带加速防滑控制器)  Starl.gif (870 bytes)ABS电路图(带加速防滑控制器)
Starl.gif (870 bytes)防盗电路图 Starl.gif (870 bytes)倒车灯电路图
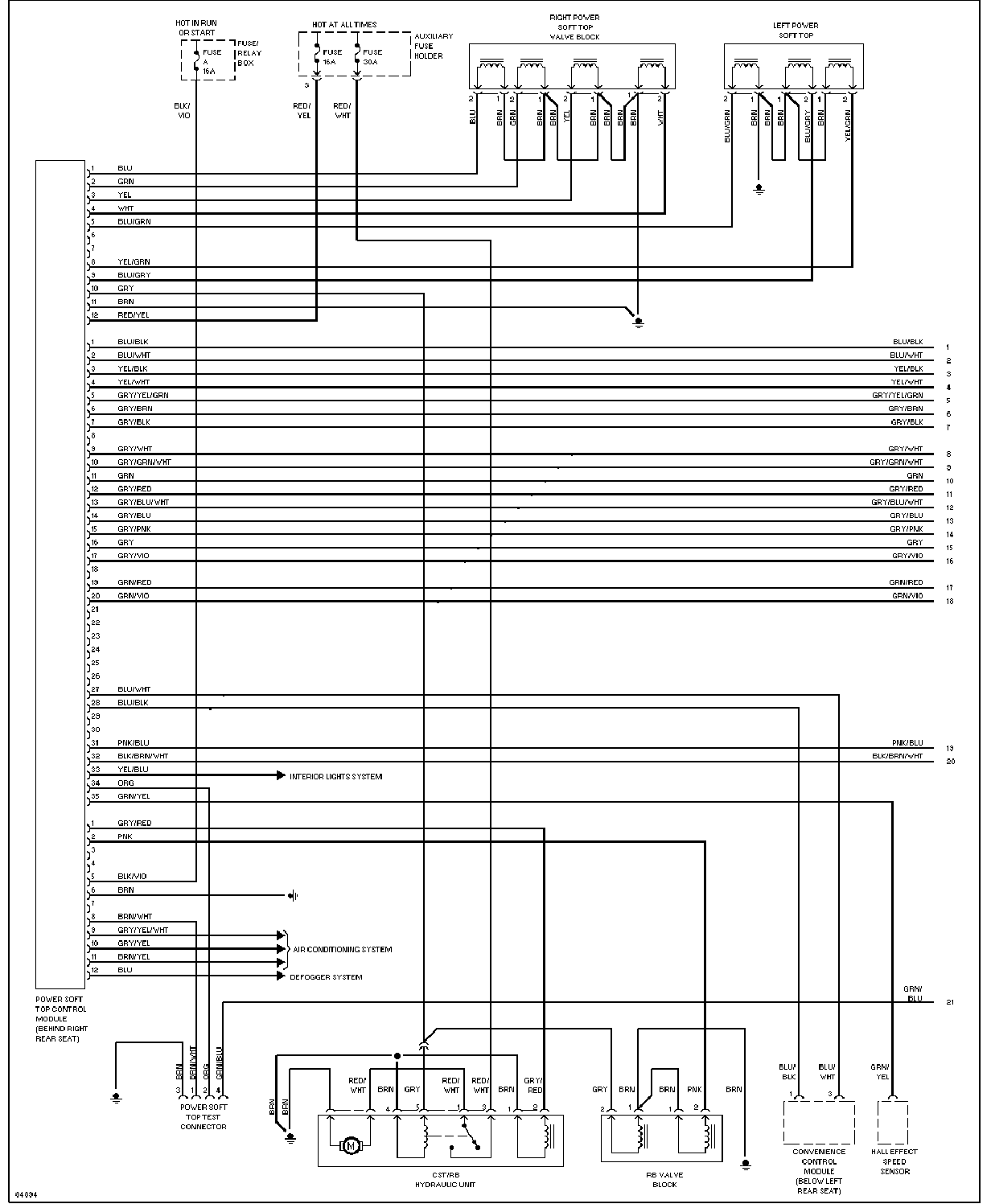
Starl.gif (870 bytes)充电系电路图 Starl.gif (870 bytes)伸缩式顶蓬电路图  1  2
Starl.gif (870 bytes)散热风扇电路图 Starl.gif (870 bytes)巡航及怠速控制电路图
Starl.gif (870 bytes)数据接口电路图 Starl.gif (870 bytes)除雾器电路图
Starl.gif (870 bytes)诊断座电路图 Starl.gif (870 bytes)门锁辅助装置电路图
Starl.gif (870 bytes)司机电动座椅电路图 Starl.gif (870 bytes)电子加速器、巡航及怠速控制电路图
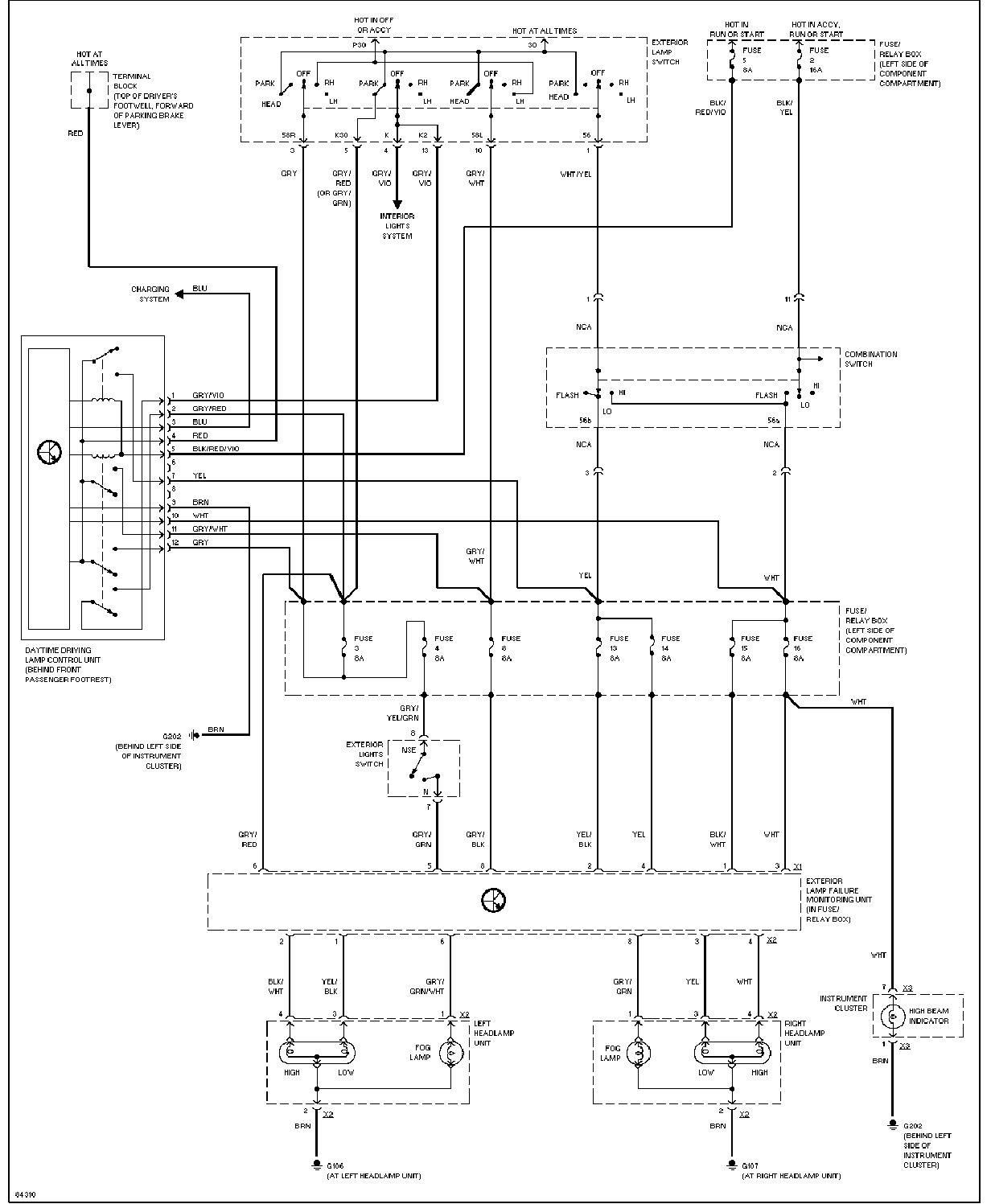
Starl.gif (870 bytes)外部灯电路图 Starl.gif (870 bytes)前雨刮清洗器电路图
Starl.gif (870 bytes)搭铁分配电路图 Starl.gif (870 bytes)大灯电路图(带DRL)
Starl.gif (870 bytes)大灯电路图(无DRL) Starl.gif (870 bytes)大灯清洗器及雨刮电路图
Starl.gif (870 bytes)风玻清洗器加热电路图 Starl.gif (870 bytes)座椅加热电路图
Starl.gif (870 bytes)喇叭电路图 Starl.gif (870 bytes)仪表板电路图
Starl.gif (870 bytes)车内灯电路图(敞蓬车)  1  2 Starl.gif (870 bytes)车内灯电路图(房车)  1  2
Starl.gif (870 bytes)车内灯电路图(轿车)  1  2 Starl.gif (870 bytes)车内灯电路图(旅行车)  1   2
Starl.gif (870 bytes)左前座椅及电动转向盘柱电路图 Starl.gif (870 bytes)座椅调节电路图
Starl.gif (870 bytes)电动天线电路图(带蜂窝式话机) Starl.gif (870 bytes)电动天线电路图(无蜂窝式话机)
Starl.gif (870 bytes)电源电路图  1   2 Starl.gif (870 bytes)电动门锁电路图
Starl.gif (870 bytes)电动后视镜电路图 Starl.gif (870 bytes)电动车窗电路图
Starl.gif (870 bytes)后座乘客头部安全保护装置 Starl.gif (870 bytes)后雨刮清洗器电路图
Starl.gif (870 bytes)右座电路图 Starl.gif (870 bytes)安全带伸长器电路图(敞篷车)
Starl.gif (870 bytes)安全带伸长器电路图(房车) Starl.gif (870 bytes)起动电路图
Starl.gif (870 bytes)遮阳蓬电路图 Starl.gif (870 bytes)安全气囊电路图
Starl.gif (870 bytes)报警系统电路图(房车及敞篷车) Starl.gif (870 bytes)报警系统电路图(轿车)
Starl.gif (870 bytes)报警系统电路图(旅行车)